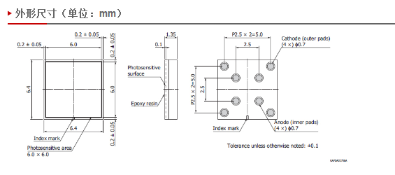
有效感光面积  6 × 6 mm
  像素尺寸  50μm
  像素个数  14336
  通道个数  1
  封装  表面贴装
  制冷  非制冷
  光谱响应范围  320 to 900nm
  峰值波长(典型值)  450 nm
  暗计数(典型值)  2000kcps
  结电容(典型值)  1300 pF
  增益(典型值)  4.0×10^6
  推荐工作电压(典型)  VBR + 3V
  测试条件  Ta = 25℃ Vover=3V 

blob.png