有效感光面积  3 × 3 mm
  像素尺寸  50 μm
  像素个数  3600
  通道个数  1
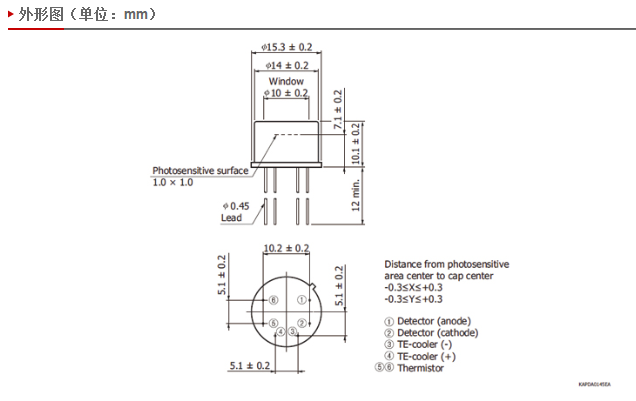
  封装  金属(TE制冷)
  制冷  二级TE制冷
  光谱响应范围  320 to 900 nm
  峰值波长(典型值)  450 nm
  暗计数(典型值)  50 kcps
  结电容(典型值)  320 pF
  增益(典型值)  1.25×10^6
  测试条件  Typ. Ta=25 ℃

blob.png