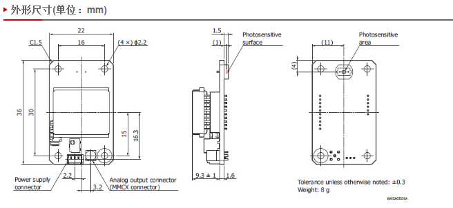
内置传感器  S13360-1350CS
  制冷  非制冷
  有效光感面积  1.3 x 1.3 mm
  像素个数  667
  像素间距  50 μm
  测试条件  Ta=25 ℃
  输出模式  模拟信号输出

blob.png