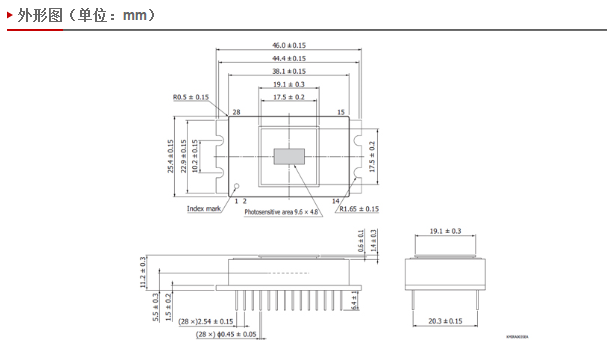
感光面积  9.6 × 4.8 mm
  像素尺寸  50 × 50 μm
  像素间距  50 μm
  总像素个数  18432 pixels
  封装  Metal
  制冷  Two-stage TE-cooled
  线/帧速率  867 frames/s
  光谱响应范围  1300 to 2150 nm
  暗电流(典型)  30 pA
  测试条件  Ta=25 ℃ , Td=-20℃ , Vdd=5 V , Vb1=0 V , PD_bias=4.2 V

blob.pngblob.pngblob.png