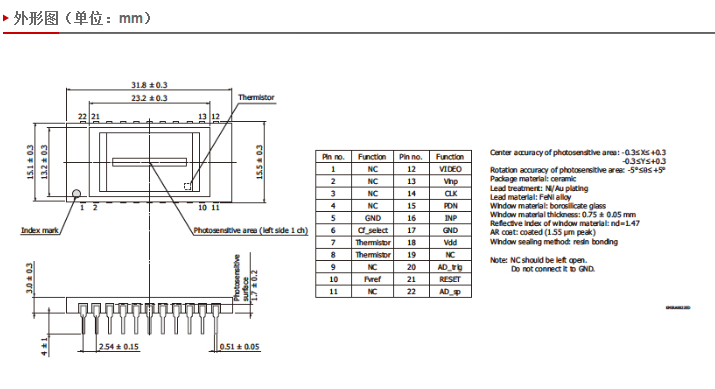
感光面积  12.8 x 0.025 mm
  像素尺寸  25 x25 μm
  像素间距  25 μm
  总像素个数  512
  封装  陶瓷
  制冷  无制冷
  线/帧速率  8150lines/s
  光谱响应范围  950 to 1700 nm
  暗电流(典型)  2.5 pA
  测试条件  除非注明,均为典型值,Ta=25 ℃

blob.pngblob.png