| 产品名称 | High resolution type |
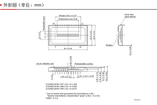
| 感光面积 | 24.576 x 1.464 mm |
| 像素尺寸 | 12 x 12 μm |
| 像素间距 | 12 μm |
| 有效像素个数 | 2048 x 122 pixels |
| 封装 | Metal |
| 光谱响应范围 | 200 to 1100 nm |
| 饱和电荷量(典型值) | 70 ke- |
| 暗电流(典型值) | 30 e-/pixel/s |
| 读出噪声(典型值) | 30 e- rms |
| 线速率(典型值) | 921 line/s |
| 线速率(最大值) | 2501 line/s |
| 测试条件 | Typ. Ta=25 ℃ , unless otherwise noted , frame rate: full line binning , Dark current: MPP mode |

