| 类型 | 标准型 |
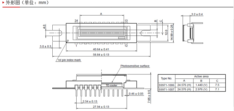
| 感光面积 | 24.576 x 2.976 mm |
| 像素尺寸 | 24 x 24 μm |
| 像素间距 | 24 μm |
| 有效像素个数 | 1024 x 124 pixels |
| 封装 | 金属 |
| 帧速率(典型值) | 6.0 frames/s |
| 光谱响应范围 | 400 to 1100 nm |
| 饱和电荷量(典型值) | 300 ke- |
| 暗电流(典型值) | 200 e-/pixel/s |
| 读出噪声(典型值) | 4 e- rms |
| 专用驱动电路 | C7021 |
| 测试条件 | Ta=25 ℃,除非注明,均为典型值。帧速率: 面阵扫描,暗电流: MPP 模式 |

