| 类型 | 低标准具效应型 |
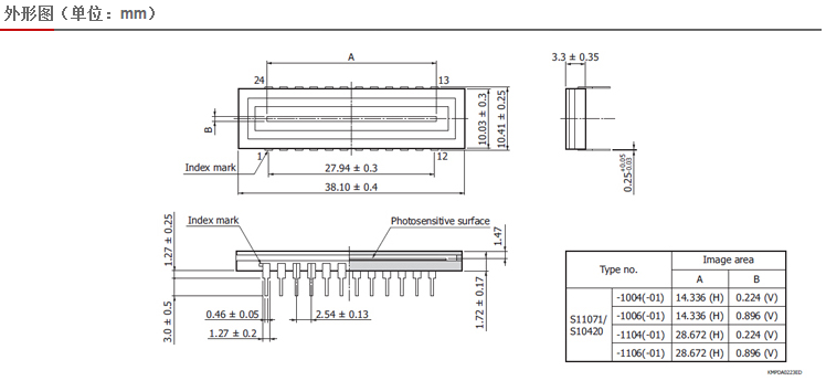
| 感光面积 | 14.336 x 0.224 mm |
| 像素尺寸 | 14 x 14 μm |
| 像素间距 | 14 μm |
| 有效像素个数 | 1024 x 16 pixels |
| 封装 | 陶瓷 |
| 帧速率(典型值) | 1777.0 frames/s |
| 光谱响应范围 | 200 to 1100 nm |
| 饱和电荷量(典型值) | 60 ke- |
| 暗电流(典型值) | 50 e-/pixel/s |
| 读出噪声(典型值) | 23 e- rms |
| 专用驱动电路 | C11288 |
| 测试条件 | Ta=25 ℃,除非注明,均为典型值。帧速率: 满线合并(full line binning) |

