| 类型 | 塑料封装 |
| 输出类型 | 电压输出 |
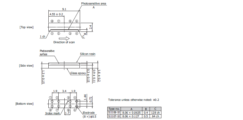
| 感光面积 | 8.06 x 0.0635 mm |
| 像素尺寸 | 63.5 x 63.5 μm |
| 像素间距 | 63.5 μm |
| 总像素个数 | 128 pixels |
| 封装 | 环氧树脂玻璃 |
| 制冷 | 非制冷 |
| 线速率(典型值) | 64935 line/s |
| 光谱响应范围(最小值) | 400 nm |
| 光谱响应范围(最大值) | 1000 nm |
| 测试条件 | 典型值。Ta=25 ℃。Vdd=3 V/5 V。V(CLK)=V(ST)=Vdd, f(CLK)=10 MHz,除非特别标明。 |
光谱响应

外形图(单位:mm)
