感光面积  1 x 1 mm
  象元数  1
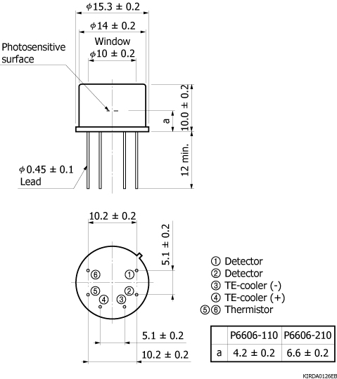
  封装  金属
  封装类型  TO-8
  制冷  二级TE制冷
  截止波长(典型值)  6.5 μm
  峰值波长(典型值)  5.5 μm
  光灵敏度(典型值)  50 V/W
  上升时间(典型值)  0.4 μs
  测试条件  Td=-30 ℃

光谱响应

外形图(单位:mm)