感光面积  0.5 x 0.5 mm
  象元数  1
  封装  金属
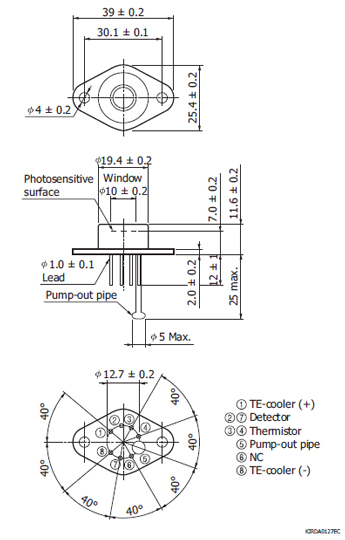
  封装类型  TO-3
  制冷  三级TE制冷
  截止波长(典型值)  6.3 μm
  峰值波长(典型值)  5.5 μm
  光灵敏度(典型值)  2500 V/W
  上升时间(典型值)  0.4 μs
  测试条件  Td=-60 ℃

光谱响应

外形图(单位:mm)