感光面积  φ1 mm
  象元数  1
  封装  金属杜瓦
  制冷  液氮
  截止波长(典型值)  5.5 μm
  峰值波长(典型值)  5.3 μm
  光灵敏度(典型值)  2.5 A/W
  上升时间(典型值)  0.07 μs
  测试条件  Td=-196 ℃

 

光谱响应

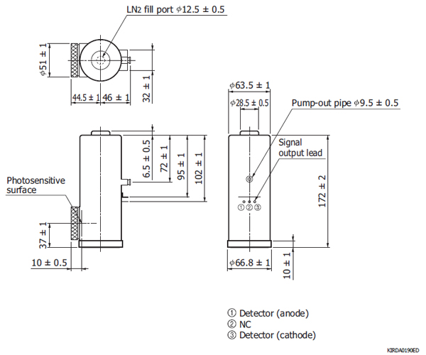
外形图(单位:mm)