封装  金属
  封装类型  TO-5
  制冷  非制冷
  探测器(1)  Si
  感光面积(1)  2.4×2.4 mm
  光谱响应范围  0.32 to 2.6 μm
  峰值波长(1,典型值)  0.94 μm
  光灵敏度(1,最小值)  0.45 A/W
  探测器(2)  InGaAs
  感光面积(2)  φ1 mm
  峰值波长(2,典型值)  2.3 μm
  光灵敏度(2,最小值)  0.6 A/W
  测试条件  典型值,Ta=25 ℃

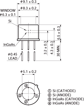
外形图(单位:mm)