感光面积  φ0.5 mm
  象元数  1
  封装  金属
  封装类型  TO-8
  制冷  一级TE制冷
  光谱响应范围  0.9 to 1.87 μm
  峰值波长(典型值)  1.75 μm
  光灵敏度(典型值)  1.1 A/W
  暗电流(最大值)  3 nA
  截止频率(典型值)  50 MHz
  结电容(典型值)  64 pF
  测试条件  典型值,Td=-10 ℃

光谱响应

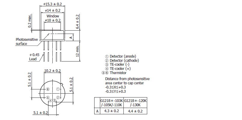
外形图(单位:mm)