感光面积  φ3 mm
  象元数  1
  封装  金属
  封装类型  TO-8
  制冷  二级TE制冷
  光谱响应范围  0.9 to 2.05 μm
  峰值波长(典型值)  1.95 μm
  光灵敏度(典型值)  1.2 A/W
  暗电流(最大值)  500 nA
  截止频率(典型值)  1.9 MHz
  结电容(典型值)  1700 pF
  测试条件  典型值,Td=-20 ℃

光谱响应

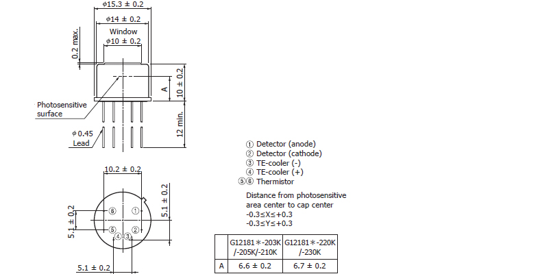
外形图(单位:mm)