封装
塑料
封装类型
屏蔽可见光
允许背景光亮度
3000 lx
测试条件
除非注明,均为典型值,Ta=25 ℃
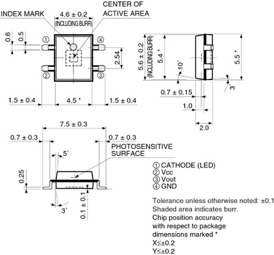
外形图(单位:mm)