感光面积  1 x 2 mm
  封装  塑料
  封装类型  表面贴装
  峰值波长(典型值)  920 nm
  光灵敏度(典型值)  0.51 A/W
  光谱响应范围  760 to 1060
  暗电流(最大值)  1 nA
  上升时间(典型值)  10 μs
  结电容(典型值)  15 pF
  极间电阻(典型值)  140 kΩ
  测试条件  典型值,Ta=25 ℃

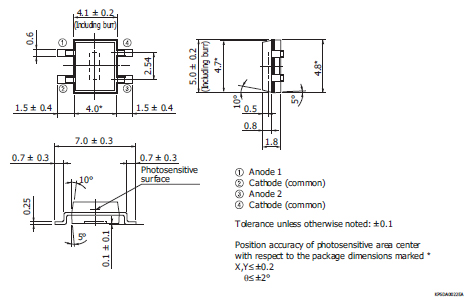
外形图(单位:mm)