感光面积  1 x 6 mm
  封装  塑料
  封装类型  表面贴装
  峰值波长(典型值)  960 nm
  光灵敏度(典型值)  0.51 A/W
  光谱响应范围  760 to 1100
  暗电流(最大值)  2 nA
  上升时间(典型值)  10 μs
  结电容(典型值)  60 pF
  极间电阻(典型值)  300 kΩ
  测试条件  典型值,Ta=25 ℃

光谱响应

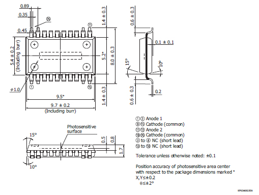
外形图(单位:mm)