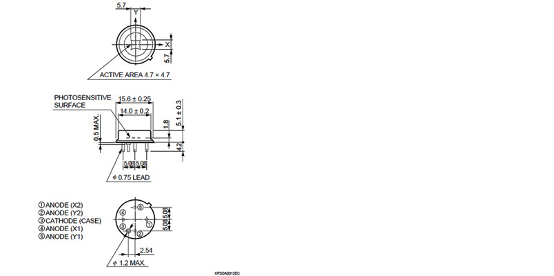
感光面积  4.7 x 4.7 mm
  封装  金属
  峰值波长(典型值)  920 nm
  光灵敏度(典型值)  0.6 A/W
  光谱响应范围  320 to 1060
  暗电流(最大值)  5 nA
  上升时间(典型值)  0.3 μs
  结电容(典型值)  45 pF
  极间电阻(典型值)  10 kΩ
  测试条件  典型值,Ta=25 ℃

光谱响应

外形图(单位:mm)