| 类型 | Short wavelength type |
| 有效感光面积 | φ3.0 mm |
| 增益的温度稳定性(典型值) | ±2.5 % |
| 光电灵敏度(典型值) | -1.9 × 104 V/W |
| 制冷 | Non-cooled |
| 截止频率下限(典型值) | 0.0040 MHz |
| 截止频率上限(典型值) | 40 MHz |
| 供给电压(典型值) | +5.0 V |
| 测试条件 | Photoelectric sensitivity: M=30, λ=800 nm, Temperature stability of gain: 25±10 ℃, M=30 |
光谱响应

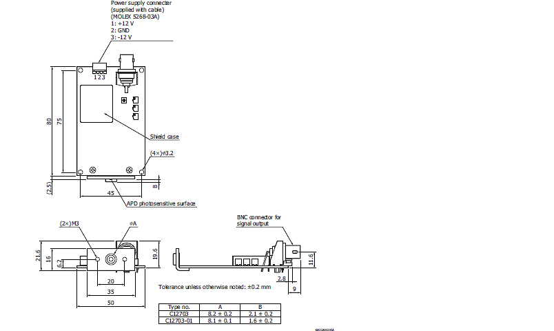
外形图(单位:mm)
