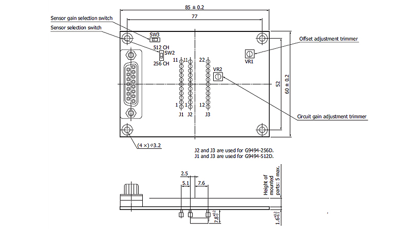
适用传感器  G9494-256D, G9494-512D

外形图(单位:mm)