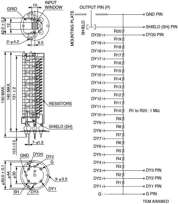
倍增极级数  20
  倍增极结构  盒栅型
  倍增极材料  Cu-BeO
  入射孔径尺寸  12 x 10 mm
  供给电压  3000 V
  增益(典型值)  4.0 x 107
  上升时间(典型值)  12 ns
  阳极到其它倍增极电容  9 pF
  阳极到第一倍增极电压  5000 V
  阳极到最末倍增极电压  400 V
  平均阳极电流  10 μA
  工作时真空度  133 x 10-4 Pa

外形尺寸(单位 mm)