福晶科技研制的在线型隔离器以980nm、1030nm、1064nm为中心波长,平均承受功率最大可达50W。该隔离器在保持光纤激光器、光纤放大器、光学传感器的频率稳定性方面具有优异性能。本产品可根据客户需求进行定制,包括工作波长、尺寸、承受功率等。
光隔离器根据它的物理原理可以分为偏振相关型隔离器以及偏振无关型隔离器两大类。偏振相关型隔离器又称为法拉第隔离器,由输入偏振元件、法拉第旋转器以及输出偏振元件三部分组成,其中输入与输出偏振元件的偏振态夹角为45°。福晶科技研制的在线型隔离器以980nm、1030nm、1064nm为中心波长,平均承受功率最大可达50W。该隔离器在保持光纤激光器、光纤放大器、光学传感器的频率稳定性方面具有优异性能。本产品可根据客户需求进行定制,包括工作波长、尺寸、承受功率等。
技术参数:
偏振无关型 | 常规型 | 环形器 | |
中心波长 | 1064nm | 980/1030/1064nm | 1030/1064nm |
工作波长范围 | ≥±10nm | ≥±10nm | ≥±10nm |
峰值隔离度 | ≥35dB | ≥35dB | ≥35dB |
带宽隔离度@23℃ | ≥25dB | ≥25dB | ≥30dB |
插入损耗@23℃ | ≤1.50dB | ≤1.00dB | ≤1.00dB |
偏振相关损耗 | ≤0.15dB | ≤0.15dB | ≤0.15dB |
回波损耗 | ≥50dB | ≥50dB | ≥50dB |
光纤类型 | HI1060光纤/LMA光纤/PM光纤或其他 | ||
光纤长度 | ≥1.0m | / | / |
平均光功率 | 0.5, 2W或其他 | 5,10,30,50W或其他 | 3,5,10W或其他 |
脉冲峰值功率 | / | 20KW或其他 | 10KW或其他 |
工作温度范围 | 10-50℃ | ||
储存温度范围 | 0-60℃ | ||
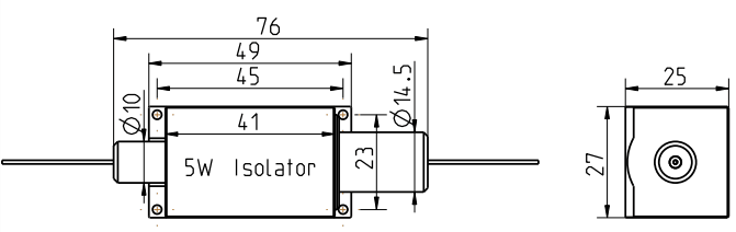
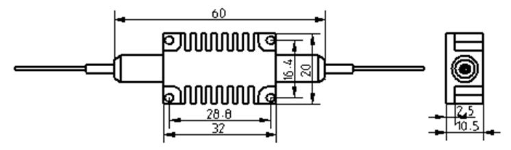
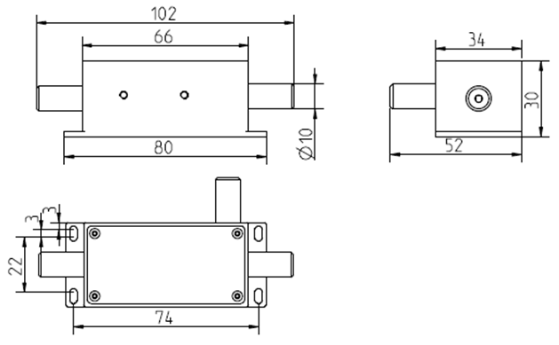
外观尺寸(单位mm):
常规型(常规尺寸):
常规型(紧凑尺寸):

偏振无关型(500mw): 偏振无关型(2w):


环形器:

名称 | 类型 | 承受功率(W) | 光纤类型 | 工作波长(nm) | 尾部套管直径 | 光纤长度(m) |
隔离器 | 常规 | 5 | 1:10/125SCF | 980 | L:900μm松套管 | 1:1.0 |
2:20/130DCF | ||||||
10 | ||||||
3:12/250DCF | ||||||
1030 | ||||||
4:20/250DCF | ||||||
B:3mm铠甲 | 0:其他 | |||||
30 | ||||||
5:30/250DCF | ||||||
1064 | ||||||
6:HI1060 | ||||||
50 | ||||||
0:其他 |
例如: 产品型号HPISO-IL-30-1-1064-L-1代表常规在线型隔离器的平均承受功率为30W,光纤类型为10/125SCF ,中心波长1064nm,光纤用900μm松套管保护,光纤长度1米。
名称 | 类型 | 承受功率(W) | 光纤类型 | 工作波长(nm) | 尾部套管直径 | 光纤长度(m) |
隔离器 | 偏振无关 | 0.5 | 1:10/125SCF | 1064 | L:900μm松套管 | 1:1.0 |
2:20/130DCF | ||||||
3:12/250DCF | ||||||
2 | ||||||
4:20/250DCF | ||||||
其他 | B:3mm铠甲 | 0:其他 | ||||
5:30/250DCF | ||||||
其他 | ||||||
6:HI1060 | ||||||
0:其他 |
例如: 产品型号HPISO-IL-2-1-1064-L-1代表隔离器的平均承受功率为2W,光纤类型为10/125SCF,中心波长为1064nm,光纤用900μm松套管保护,光纤长度1米。
名称 | 类型 | 承受功率(W) | 光纤类型 | 工作波长(nm) | 尾部套管直径 | 光纤长度(m) |
环形器 | 三端口 | 3 | 1:HI 1060 | 1030
| L:900μm松套管 | 1:1.0 |
5 | ||||||
2:PM 980 | ||||||
1064 | B:3mm铠甲 | 0:其他 | ||||
0:其他 | ||||||
10 |
例如: 产品型号HPCIR-TP-5-1-1030-L-1代表光学环形器的平均承受功率为5W,光纤类型为HI1060,中心波长1030nm,光纤用900μm松套管保护,光纤长度1米。
1、简介
法拉第旋转器是光隔离器的主要组成部分之一。基于法拉第效应,通过法拉第旋转器后的光束偏振面会发生角度为θ的旋转,旋转角度θ=vBL,其中v为磁光介质的维尔德常数,B为磁场强度,L为磁光介质的长度。对于光隔离器而言,其中的法拉第旋转器旋转角度需要达到45°。
2、法拉第旋转器
光隔离器中重要组成部分之一的法拉第旋转器中的磁光介质具备高维尔德常数、低吸收系数、低非线性折射率以及高损伤阈值等特性。在700-1100nm波段最常见的磁光材料是掺铽玻璃与TGG晶体,而YIG晶体则是红外波段最常见的磁光材料,特别是在1300-4000nm范围内。

法拉第旋转器在保持光束偏振态的同时使光束产生非互易性地旋转。也就是无论正向还是反向通过旋转器,光束的偏振面都朝同一方向旋转45°,而旋转方向仅取决于旋转器中磁场强度的方向。因此,当光束往返通过法拉第旋转器时,光束偏振面相对于入射时旋转了90°。这也是光隔离器具备高隔离度的根本原因。
3、隔离器
光隔离器根据它的物理原理可以分为偏振相关型隔离器以及偏振无关型隔离器两大类。偏振相关型隔离器又称为法拉第隔离器,由输入偏振元件、法拉第旋转器以及输出偏振元件三部分组成,其中输入与输出偏振元件的偏振态夹角为45°。

偏振相关型隔离器通常用于自由空间光学系统中,因为在这类光学系统中往往要保持光源的偏振态。而在光纤光学这类非保偏系统中,光束的偏振方向是杂乱无章的,此时固定的偏振角度会引起系统中的损耗。偏振无关型隔离器通常用于光纤激光系统中,其能够有效维持光学系统的频率稳定性。目前这类光纤激光器在工业加工领域有着广泛的应用。偏振无关型隔离器主要由双折射晶体,法拉第旋转器以及波片或者旋光片组成。
