福晶科技研制的扫描场镜常规工作波长为355nm,此类场镜具有高透过率、高损伤阈值和低F-theta畸变等优点,广泛应用于激光加工领域,产品还配有标准的螺纹接口和保护性窗片。此外,福晶科技也可根据客户需求对产品的工作波长、外观尺寸等参数进行定制。
F-Theta镜头常用于激光打标、雕刻和切割系统中,其作用在于为扫描系统中的图像平面处提供平坦场,福晶科技研制的扫描场镜常规工作波长为355nm,此类场镜具有高透过率、高损伤阈值和低F-theta畸变等优点,广泛应用于激光加工领域,产品还配有标准的螺纹接口和保护性窗片。此外,福晶科技也可根据客户需求对产品的工作波长、外观尺寸等参数进行定制。
技术参数:
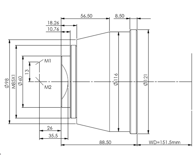
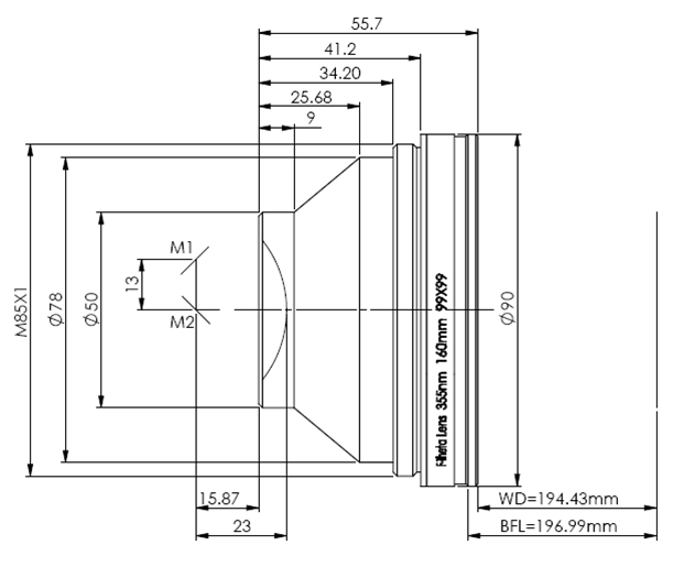
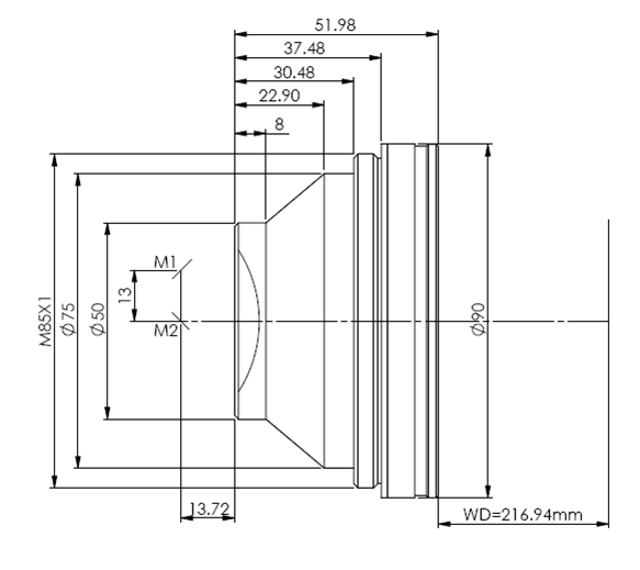
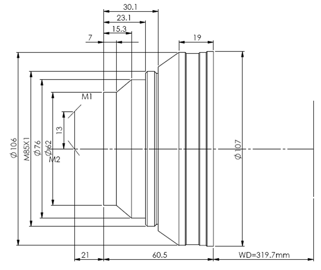
材料 | 熔石英 |
波长(nm) | 355 |
焦距(mm) | 109.4,160,174.1,255 |
后焦距(mm) | 153.5,196.99,219.48,321.7 |
工作距离(mm) | 151.5,194.43,216.48,319.7 |
扫描角度(°) | ±24.3,±25,±25.3,±25.5 |
扫描长度(mm) | 91.8,140,151,224.8 |
扫描范围(mm) | 65×65,99×99,107×107,158×158 |
输入光束直径(mm) | 6,7,7,10 |
m1/m2 | 13 / 35.5,13 / 23,13 / 20,13 / 28 |
M2到镜头入射端的距离(mm) | 26,15.87,13.72,21 |
弥散斑(1/e2)(um) | 12,15,16,17 |
输出光束直径(mm) | 121,90,90,107 |
总长度(mm) | 88.5,55.7,51.98,60.5 |
接口 | M85×1 |
透过率 | >97% |
保护性窗片 | Yes |
外观尺寸(单位mm):

109.4mm焦距场镜:

160mm焦距场镜:

174.1mm焦距场镜:

255mm焦距场镜:


例如:产品型号FT-355-255-158代表场镜的工作波长为355nm,有效焦距为255mm,扫描范围为158mm×158mm。
F-Theta镜头常用于激光打标、雕刻和切割系统中,其作用在于为扫描系统中的图像平面处提供平坦场,扫描径向图像高度等于透镜的焦距乘以主光线在物空间中的角度。公式如下:
2y’=EFL×2θ×π/180
其中2y'是扫描长度或对角线,EFL是扫描透镜的焦距,2θ是整体扫描角度。
