Laser532-1HSU是中心波长在532nm,最大功率为100mW,为满足拉曼光谱测量应用的半导体泵浦的稳光谱激光器模块。该产品基于DPSS技术, 提供光谱分析仪器所需的窄线宽、稳光谱和稳功率的激光输出。内置PD和TEC制冷模块使得该激光器模块具有良好的光谱特性和功率特性。
激光器内置了ARM数字控制MCU,实现了数字PID。优化的光学耦合设计以及高度集成的电路设计使得Laser532-1HSU具备USB软件控制功能, 功率从0-100MW软件控制。 同时内置的MCU和优化的算法实现了高精准的激光器功率输出。激光器功率设计和数显的准确性达到3%以内, 同时内置的校准程序真正意义上实现了客户所见即所得的功能。
半导体泵浦532nm激光器,体型小,功耗低
窄线宽、稳光谱和稳功率的激光输出
寿命长达5,000.00小时
0~100mW,激光功率可调,方便客户针对不同样品合理操作,使用更灵活



| 物理参数 | |
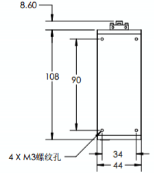
| 整机尺寸: | 180×44×42mm |
| 整机重量: | 230g |
| 规格参数 | |
| 激发波长: | 532 nm ± 0.5 nm,线宽<0.1nm |
| 功率稳定性: | <3 % RMS (2hrs) |
| 激光器寿命: | 5,000.00hrs |
| 输出功率: | 0-100mW可调 |
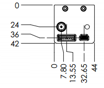
| 输出接口: | SMA905 |
| 预热时间: | 15min |
| 电源电压: | 5V |
| 环境参数 | |
| 工作/储存温度 | 0 ~ 45℃ |
| 工作/储存湿度 | 5%-80% |
备注:
该系列激光器均可耦合如多模光纤,在激光器的前端有一个SMA905光纤输出接口;
适配的光纤:105um VIS-NIR Low OH光纤

| 引脚号 | 定义 | 详细说明 |
|---|---|---|
| 1 | ENABLE | 激光器使能,高电平有效 |
| 2 | GND | 信号地 |
| 3 | SERIAL_PORT_TX | 串口发送,默认RS232电平 |
| 4 | SERIAL_PORT_RX | 串口接收,默认RS232电平 |
| 5 | GND | 信号地 |
| 6 | MONITOR | 激光器功率检测输出 |
| 7 | INTERLOCK | InterLock控制,低电平有效 |
| 8 | EX_SET | 激光器功率设置 |

