Long life linear motion guide bearing system
Ultra-fine resolution
Integral bellows waycovers
Low-profile compact design
Submicron accuracy
Optional high-accuracy linear encoder
The ATS150 series motor-driven linear stages provide the high resolution and repeatability required for semiconductor wafer testing and fabrication, automated microscope inspection systems and precision micromachining applications.
ATS150 series stages are machined from a special cast aluminum alloy to provide a high strength-to-weight ratio and long-term stability. The base is a box design that provides exceptional stiffness and stability.
ATS150 series stages employ a precision-ground ball screw that is pre-loaded to eliminate backlash, and its nut has wipers to prevent contamination and maintain high accuracy throughout the life of the stage. High quality, pre-loaded duplex bearings are used to eliminate axial play.
All ATS150 series stages incorporate Linear Motion Guide (LMG) bearings to provide high load capability and high stiffness. The LMG design provides a compact stage with continuous carriage support over the entire travel and good cantilevered load capability. Integral wipers on the bearing trucks help ensure stage travel life. Highly accurate optical limit switches and end stops are also standard.
Integral bellows-type waycovers protect the drive and bearing system from contamination. Metal surfaces are protected with an attractive clear anodized finish. Both metric (standard) and English mounting and bolt-hole patterns are available.
A precision noncontact linear encoder is an option. The encoder is mounted internal to the stage, protecting it from external contaminants and debris.
Included with all ATS150 series stages are Aerotech’s BMS series brushless rotary motors. This motor has all of the advantages of a brushless motor – high acceleration, no brushes to wear and lower heating – yet has zero cogging for extremely smooth motion and accuracy. Aerotech manufactures a wide range of matching drives and controls to provide a fully integrated and optimized motion solution.
Excessive duty cycle may impact accuracy. Payload specifications are for single axis system and based on ball screw and bearing life of 2500 km (100 million inches) of travel. Available with Aerotech controllers. Specifications are for single-axis systems measured 25 mm above the tabletop. Performance of multi-axis systems is payload and workpoint dependent. Consult factory for multi-axis or non-standard applications. Linear encoder option only available on the 100 mm and 150 mm travels Aerotech offers both standard and custom integration services to help you get your system fully operational as quickly as possible. The following standard integration options are available for this system. Please consult Aerotech if you are unsure what level of integration is required, or if you desire custom integration support with your system.Specifications
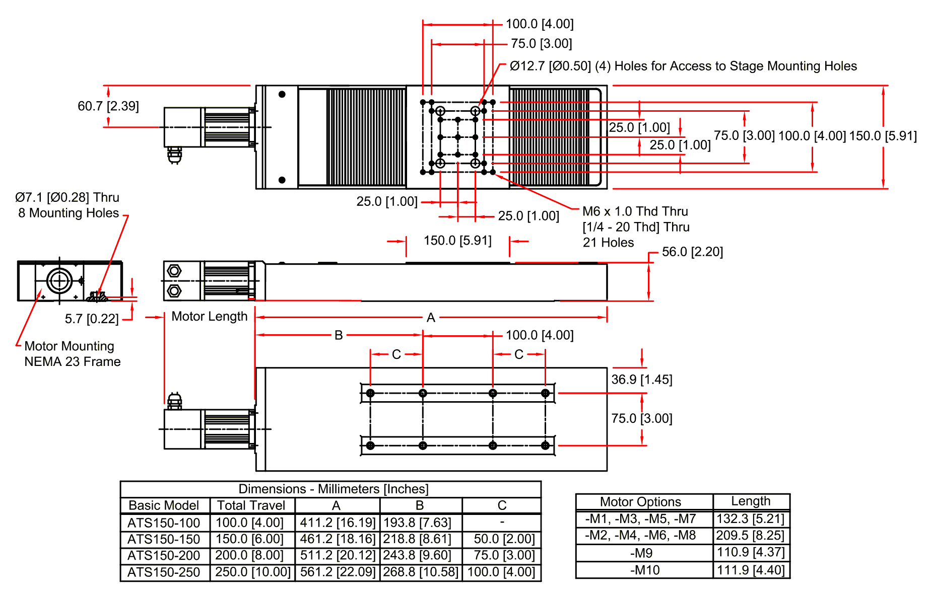
ATS150 Specifications
Model ATS150-100 ATS150-150 ATS150-200 ATS150-250 Travel 100 mm 150 mm 200 mm 250 mm Drive System Super Precision Ground Ball Screw/Brushless Servomotor (BMS60-A-D25-E1000H) Bus Voltage Up to 160 VDC Continuous Current Apk Up to 2.3 A Arms Up to 1.6 A Feedback Noncontact Rotary Encoder (1000 line) Resolution 2 mm/rev lead 0.5 µm @ 4000 steps/rev Motor Resolution 4 mm/rev lead 1.0 µm @ 4000 steps/rev Motor Resolution LN Linear Encoder 0.001 µm - 0.2 µm N/A N/A Maximum Travel Speed(1) 2 mm/rev lead 115 mm/s 4 mm/rev lead 230 mm/s Maximum Load(2) Horizontal 45.0 kg Vertical 25.0 kg Side 25.0 kg Accuracy Ball Screw Calibrated(3) ±1.0 µm Standard +2,-4 µm +2,-5 µm +2,-8 µm +2,-10 µm LN Calibrated(3) ±1.0 µm N/A N/A Standard ±5.0 µm N/A N/A Repeatability (Bidirectional) Ball Screw Calibrated(3) ±0.5 µm Standard ±1.0 µm LN ±0.5 µm N/A N/A Straightness and Flatness Differential HALSF 1 µm/25 mm Standard 2 µm/25 mm Maximum
DeviationHALSF ±1.0 µm ±1.5 µm ±2.0 µm ±3.0 µm Standard ±2.0 µm ±3.0 µm ±4.0 µm ±5.0 µm Pitch and Yaw 8 arc sec 10 arc sec 12 arc sec 14 arc sec Nominal Stage Weight Less Motor 6.1 kg 7.5 kg 7.9 kg 8.4 kg With Motor 7.2 kg 8.6 kg 9.0 kg 9.5 kg Construction Aluminum Body/Stage and Table; Clear Anodize Finish 

Dimensions
Enlarge Image
Enlarge ImageOrdering Information
ATS150 Series Mechanical-Bearing Screw-Driven Linear Stage
Travel (Required)Option Description -100 100 mm -150 150 mm -200 200 mm -250 250 mm Vacuum Preparation (Required)
Option Description -HV High vacuum preparation to 10-6 Torr Direct Linear Feedback (Required)
Option Description -E1 High-accuracy incremental linear encoder; 1 Vpp Tabletop (Required)
Option Description -TT1 Tabletop with metric dimension mounting pattern and holes -TT2 Tabletop with English dimension mounting pattern and holes Ball Screw (Required)
Option Description -BS1 2 mm/rev precision-ground ball screw -BS2 4 mm/rev precision-ground ball screw Motor (Optional)
Option Description -M1 BMS60 servomotor w/2500-line TTL encoder -M2 BMS60 servomotor w/2500-line TTL encoder and holding brake -M3 BMS60 servomotor w/1000-line 1 Vpp encoder -M4 BMS60 servomotor w/1000-line 1 Vpp encoder and holding brake -M5 BM75 servomotor w/2500-line TTL encoder -M6 BM75 servomotor w/2500-line TTL encoder and holding brake -M7 BM75 servomotor w/1000-line 1 Vpp encoder -M8 BM75 servomotor w/1000-line 1 Vpp encoder and holding brake -M9 SM60 stepper motor, SM60-CN1-VT2 -M10 SM60 stepper motor w/holding brake, SM60-CN1-VT2-BK Foldback (Optional)
Option Description -FB1 Foldback kit for .250 inch diameter shaft NEMA 23 motor -FB2 Foldback kit w/brake for .250 inch diameter shaft NEMA 23 motor Motor Orientation (Optional)
Option Description -2 Bottom cable exit, optional orientation -3 Left-side cable exit, standard orientation -4 Top cable exit, optional orientation -5 Right-side cable exit, optional orientation -8 Right-side foldback, standard orientation -12 Left-side foldback, optional orientation Limits (Required)
Option Description -LI1 Normally-closed limit switches; 9-pin D connector -LI2 Normally-closed limit switches; flying leads -LI3 Normally-open limit switches; 9-pin D connector -LI4 Normally-open limit switches; flying leads Coupling (Optional)
Option Description -CP1 Coupling for 0.250 inch diameter shaft -CP2 Coupling for 0.375 inch diameter shaft Metrology (Optional)
Option Description -PL1 Metrology, uncalibrated with performance plots -PL2 Metrology, calibrated (HALAR) with performance plots Metrology - HALSF (Optional)
Option Description -PL5 Metrology, horizontal/vertical straightness correction (HALSF) Integration (Required)
Option Description -TAS Integration - Test as system
Testing, integration, and documentation of a group of components as a complete system that will be used together (ex: drive, controller, and stage). This includes parameter file generation, system tuning, and documentation of the system configuration.-TAC Integration - Test as components
Testing and integration of individual items as discrete components that ship together. This is typically used for spare parts, replacement parts, or items that will not be used together. These components may or may not be part of a larger system.Accessories (To be ordered as a separate line item)
Option Description ALIGN-NPA Non-precision XY assembly ALIGN-NPAZ Non-precision XZ or YZ assembly ALIGN-PA10 XY assembly; 10 arc sec orthogonality. Alignment to within 7 microns orthogonality for short travel stages. ALIGN-PA10Z XZ or YZ assembly with L-bracket; 10 arc second orthogonality. Alignment to within 10 microns orthogonality for short travel stages. ALIGN-PA5 XY assembly; 5 arc sec orthogonality. Alignment to within 3 microns orthogonality for short travel stages. ALIGN-PA5Z XZ or YZ assembly with L-bracket; 5 arc second orthogonality. Alignment to within 5 microns orthogonality for short travel stages. HDZ2 English right angle L-bracket; for ATS150-100 and ATS150-150 only HDZ2M Metric right angle L-bracket; for ATS150-100 and ATS150-150 only