Integral pneumatic ER collet chuck or 3-jaw gripper
Clear aperture for product feed-through
Normally-closed or -open gripper options
Low-inertia shaft for maximum acceleration
Direct-drive brushless motor and encoder
Integral frictionless rotary union
Aerotech's ACS series rotary stages with integrated ER collet chuck or 3-jaw gripper configuration provide automated material handling capability for a wide range of materials and applications.
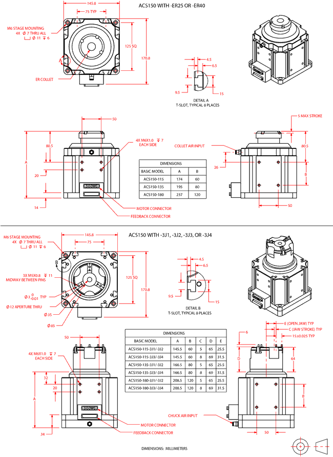
The collet chuck on the ACS-150 accepts either ER25 or ER40 series collets. These collets are readily available from machine-tool component suppliers in sizes that support tube diameters from 0.5 mm to 30 mm. ER collets provide excellent run-out characteristics for applications requiring high-precision gripping of tubular material. The collet is retained with a threaded retaining nut enabling quick changeover. It is configured in a “fail-safe” normally closed mode where full clamping force is applied when no air pressure is present.

Both the ACS-150 and ACS-200 support three-jaw grippers with clear apertures for product feed-through. All gripper assemblies are configurable as either normally-open or normally-closed with various jaw strokes to support a wide range of material sizes. The gripper can be fitted with custom jaws for the handling of materials with non-round profiles such as square or hexagonal bar stock. The normally-open and -closed options also provide the ability to grip either the O.D. or I.D. of the material.
Air is delivered to the collet or gripper assembly through an integral rotary union. The 3-jaw grippers use a seal-based rotary union design while the ER collet option uses a seal-less, frictionless design. This 100% noncontact rotary union design ensures a lifetime of maintenance-free operation. The combination collet chuck or gripper and rotary union assembly also have significantly less friction and inertia than external assemblies created from discrete parts. This reduced inertia improves system performance by allowing higher peak acceleration and reducing position error during laser machining operations.
To maximize positioning performance the ACS series utilizes direct-drive brushless motor technology. Direct-drive technology is optimized for 24/7 production environments, as there are no brushes to replace and no gear trains or belts to maintain. Direct-drive also provides quicker acceleration and higher top speeds than gear- or belt-driven mechanisms, which yields higher total overall throughput.
The low maintenance, high throughput characteristics of the ACS coupled with the integral material handling capability provide the lowest total cost of ownership when compared to component-level solutions.
Collet chuck accepts Rego-Fix ER collets manufactured to DIN6499 specifications only. Repeatability and accuracy are dependent on encoder resolution. To achieve the listed specifi cations, encoder resolution must be 1.2 arc sec or less. Measured TIR of precision gage pin chucked with an ultra-precision ER collet (DIN6499) 6 mm away from collet face with no load. Maximum loads are mutually exclusive. Loading limits are due to the collet chuck mechanism. Contact Aerotech directly if part load requirement exceeds specifications. Maximum speed based on stage capability; maximum application velocity may be limited by system data rate, system resolution and load. Collet chuck mechanism is normally-closed. Collet mechanism requires air to open collet chuck. Air supply must be dry (0ºF dew point) oil-less air OR 99.99% pure nitrogen. Air or nitrogen must be filtered to 0.25 micron particle size or better. With 3-jaw gripper, air or nitrogen should be filtered to 20 micron particle size or better. Repeatability and accuracy are dependent on encoder resolution. To achieve the listed specifications, encoder resolution must be 1.2 arc sec or less. Measured TIR of precision gage pin 10 mm away from grpper face with no load. Maximum loads are mutually exclusive. Loading limits are due to the collet chuck mechanism. Contact Aerotech directly if part load requirement exceeds specifications. Maximum speed based on stage capability; maximum application velocity may be limited by system data rate, system resolution, and load. Collet chuck mechanism is normally-closed. Collet mechanism requires air to open collet chuck. Air supply must be dry (0º F dew point) oil-less air OR 99.99% pure nitrogen. Air or nitrogen must be filtered to 0.25 micron particle size or better. With 3-jaw gripper, air or nitrogen should be filtered to 20 micron particle size or better. Note: Digital output encoder signals are synthesized with a 16 MHz clock. Care must be taken to ensure that the encoder sample rate on the controller is at least 16 MHz or higher. Slower clock rates are available on request. Aerotech offers both standard and custom integration services to help you get your system fully operational as quickly as possible. The following standard integration options are available for this system. Please consult Aerotech if you are unsure what level of integration is required, or if you desire custom integration support with your system. Note: Digital output encoder signals are synthesized with a 16 MHz clock. Care must be taken to ensure that the encoder sample rate on the controller is at least 16 MHz or higher. Slower clock rates are available on request. Aerotech offers both standard and custom integration services to help you get your system fully operational as quickly as possible. The following standard integration options are available for this system. Please consult Aerotech if you are unsure what level of integration is required, or if you desire custom integration support with your system. Note: Digital output encoder signals are synthesized with a 16 MHz clock. Care must be taken to ensure that the encoder sample rate on the controller is at least 16 MHz or higher. Slower clock rates are available on request. Aerotech offers both standard and custom integration services to help you get your system fully operational as quickly as possible. The following standard integration options are available for this system. Please consult Aerotech if you are unsure what level of integration is required, or if you desire custom integration support with your system.Specifications
ACS Series Specifications
Model ACS100-85 ACS100-135 ACS150-115 ACS150-135 ACS150-180 Travel ±360° Continuous Gripper/Collet Option(1) ER8 ER25, ER40, 3J-12 Three-Jaw Gripper Travel N/A 10 mm, 16 mm Maximum Torque (Continuous) 0.48 N·m 1.6 N·m 2.85 N·m 5.06 N·m 9.29 N·m Accuracy(2) Calibrated: ±73 µrad (±15 arc sec); Uncalibrated: ±146 µrad (±30 arc sec) Repeatability(2) ±29 µrad (±6 arc sec) Pin/Collet Runout (ER Collets)(3) <25 µm Grip Repeatability/Max Jaw Length (3 Jaw) ±20 µm/50 mm Aperture ER8 5 mm N/A ER25 N/A 16 mm ER40 N/A 30 mm 3J-12 N/A 12 mm Max Loads(4) ER8 1.5 kg (Axial); 0.5 kg (Radial); 0.75 N·m (Moment) ER25 10 kg (Axial); 5 kg (Radial); 6 N·m (Moment) ER40 15 kg (Axial); 10 kg (Radial); 12 N·m (Moment) 3J-12 20 kg (Axial); 11 kg (Radial); 6 N·m (Moment) Rated Speed(5) 800 rpm 600 rpm Bus Voltage Up to 340 VDC Finish Table Hardcoat Stage Black Anodize ACS Series Specifications
Model ACS200-155 ACS200-185 Travel ±360° Continuous Gripper/Collet Option -3J1 through -3J8 (see ordering options) Maximum Torque (Continuous) 11.12 N·m 15.93 N·m Accuracy(1) Calibrated: ±73 µrad (±15 arc sec); Uncalibrated: ±146 µrad (±30 arc sec) Repeatability(1) ±29 µrad (±6 arc sec) Grip Repeatability(2) ±20 µm Max Jaw Length From Chuck Face 50 mm for 3J-12; 70 mm for 3J-25 Aperture 3J-12 12 mm 3J-25 25 mm Max Load(3) 3J-12 20 kg (Axial); 11 kg (Radial); 6 N·m (Moment) 3J-25 30 kg (Axial); 18 kg (Radial); 13 N·m (Moment) Rated Speed(4) 600 rpm Bus Voltage Up to 340 VDC Finish Table Hardcoat Stage Black Anodize ACS Maximum Speeds for Encoder Option
Encoder Option ACS100 ACS150 ACS200 -AS/-X5/-X10/-X25 800 rpm 600 rpm 600 rpm -X50 800 rpm 600 rpm 500 rpm 
Dimensions
Enlarge Image
Enlarge Image
Enlarge ImageOrdering Information
ACS100 Mechanical-Bearing Direct-Drive Rotary Collet Stage
Stage Size (Required)
Option Description -85 85 mm stage height -135 135 mm stage height Chuck Style (Required)
Option Description -ER8 ER8 ultra-precision collet -ER8MB ER8 micro-bore collet Feedback (Required)
Option Description -E1 Incremental encoder, 1 Vpp -E2 Incremental encoder, TTL, x5 interpolation -E3 Incremental encoder, TTL, x10 interpolation -E4 Incremental encoder, TTL, x25 interpolation -E5 Incremental encoder, TTL, x50 interpolation Rear Seal (Optional)
Option Description -SL Rear seal Connector (Required)
Option Description -CN1 4-pin HPD motor and 25-pin D Fbk connectors -CN2 25-pin D motor and 25-pin D Fbk connectors Wrench (Optional)
Option Description -WR Wrench for changing collet Air Purge (Optional)
Option Description -PR Air purge Metrology (Required)
Option Description -PL1 Metrology, uncalibrated with performance plots -PL2 Metrology, calibrated (HALAR) with performance plots Integration (Required)
Option Description -TAS Integration - Test as system
Testing, integration, and documentation of a group of components as a complete system that will be used together (ex: drive, controller, and stage). This includes parameter file generation, system tuning, and documentation of the system configuration.-TAC Integration - Test as components
Testing and integration of individual items as discrete components that ship together. This is typically used for spare parts, replacement parts, or items that will not be used together. These components may or may not be part of a larger system.Accessories (To Be Ordered As Separate Line Item)
Option Description Collet-ER8-CLTxx ER8 DIN6499AA electropolished collet, 0.5 mm to 5 mm part diameter sizes available Collet-ER8MB-CLTxx ER8 DIN6499AA electropolished micro-bore collet, 0.2 mm to 0.9 mm part diameter available CGF Collet and gripper filtration kit ACS150 Mechanical-Bearing Direct-Drive Rotary Collet Stage
Stage Size (Required)
Option Description -115 115 mm stage height -135 135 mm stage height -180 180 mm stage height Chuck Style (Required)
Option Description -ER25 ER25 ultra-precision collet -ER40 ER40 ultra-precision collet -3J1 3-jaw gripper, 10 mm stroke, normally closed -3J2 3-jaw gripper, 10 mm stroke, normally open -3J3 3-jaw gripper, 16 mm stroke, normally closed -3J4 3-jaw gripper, 16 mm stroke, normally open Feedback (Required)
Option Description -E1 Incremental encoder, 1 Vpp -E2 Incremental encoder, TTL, x5 interpolation -E3 Incremental encoder, TTL, x10 interpolation -E4 Incremental encoder, TTL, x25 interpolation -E5 Incremental encoder, TTL, x50 interpolation Rear Seal (Optional)
Option Description -SL Rear seal Wrench (Optional)
Option Description -WR Wrench for changing collet Metrology (Required)
Option Description -PL1 Metrology, uncalibrated with performance plots -PL2 Metrology, calibrated (HALAR) with performance plots Integration (Required)
Option Description -TAS Integration - Test as system
Testing, integration, and documentation of a group of components as a complete system that will be used together (ex: drive, controller, and stage). This includes parameter file generation, system tuning, and documentation of the system configuration.-TAC Integration - Test as components
Testing and integration of individual items as discrete components that ship together. This is typically used for spare parts, replacement parts, or items that will not be used together. These components may or may not be part of a larger system.Accessories (To Be Ordered As Separate Line Item)
Option Description Collet-ER25-CLTxx ER25 DIN6499AA electropolished collet, 0.5 mm to 15 mm part holding sizes available Collet-ER40-CLTxx ER40 DIN6499AA electropolished collet, 15.5 mm to 25 mm part holding sizes available Note: ER40 collet sizes below 15.5 mm diameter are not supported. Use the ER25 collet chuck if these sizes are required. CGF Collet and gripper filtration kit ACS200 Mechanical-Bearing Direct-Drive Rotary Collet Stage
Stage Size (Required)
Option Description -155 155 mm stage height -185 185 mm stage height Chuck Style (Required)
Option Description -3J1 3-jaw gripper with 12 mm clear aperture, 10 mm stroke, normally closed -3J2 3-jaw gripper with 12 mm clear aperture, 10 mm stroke, normally open -3J3 3-jaw gripper with 12 mm clear aperture, 16 mm stroke, normally closed -3J4 3-jaw gripper with 12 mm clear aperture, 16 mm stroke, normally open -3J5 3-jaw gripper with 25 mm clear aperture, 13 mm stroke, normally closed -3J6 3-jaw gripper with 25 mm clear aperture, 13 mm stroke, normally open -3J7 3-jaw gripper with 25 mm clear aperture, 20 mm stroke, normally closed -3J8 3-jaw gripper with 25 mm clear aperture, 20 mm stroke, normally open Feedback (Required)
Option Description -E1 Incremental encoder, 1 Vpp -E2 Incremental encoder, TTL, x5 interpolation -E3 Incremental encoder, TTL, x10 interpolation -E4 Incremental encoder, TTL, x25 interpolation -E5 Incremental encoder, TTL, x50 interpolation Metrology (Required)
Option Description -PL1 Metrology, uncalibrated with performance plots -PL2 Metrology, calibrated (HALAR) with performance plots Integration (Required)
Option Description -TAS Integration - Test as system
Testing, integration, and documentation of a group of components as a complete system that will be used together (ex: drive, controller, and stage). This includes parameter file generation, system tuning, and documentation of the system configuration.-TAC Integration - Test as components
Testing and integration of individual items as discrete components that ship together. This is typically used for spare parts, replacement parts, or items that will not be used together. These components may or may not be part of a larger system.Accessories (To Be Ordered As Separate Line Item)
Option Description CGF Collet and gripper filtration kit