Low profile for space-conscious applications
Direct-drive, brushless, slotless servomotor
Direct-coupled, high-accuracy rotary encoder
25 mm aperture
Optional rotary union for vacuum
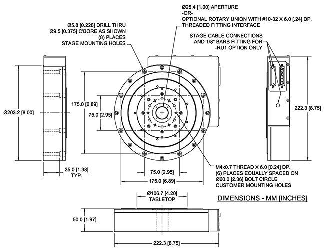
Aerotech's WaferMaxT rotary stage is an excellent choice for applications that require high performance in a low-height package. Originally designed for the demands of precision wafer inspection, the WaferMaxT has been applied to a multitude of applications. A standard 25 mm aperture allows for easy pass-through of vacuum lines where limited rotation is required. If continuous rotation is necessary, an optional single- or dual-port rotary union can be incorporated. The tabletop includes a standard mounting pattern that allows for easy wafer-chuck mounting.
Angular contact bearings are used to maximize performance with respect to wobble, moment stiffness and rotating friction. A thick-walled, precision-ground shaft further minimizes wobble.
Cable management is a snap with integral motor power and feedback connectors. Because the WaferMaxT is a self-contained unit, it can be integrated easily into multi-stage stacks. Either a service loop or an integrated Aerotech cable management system (CMS) can be provided for a highly reliable solution.
To maximize positioning performance, the WaferMaxT utilizes Aerotech’s S-series brushless, slotless motor. This motor has all of the advantages of a brushless direct-drive motor — no brushes to wear, no gear trains to maintain and high acceleration and high speeds. Since it is a slotless, ironless design, there is zero cogging, meaning that there is absolutely no torque ripple. This makes the WaferMaxT ideal for applications requiring outstanding contoured motion, smooth scan velocity or precise incremental steps. The low inertia and zero backlash make the WaferMaxT the ideal solution for applications requiring frequent directional changes.
Performance is assured with a 10,000 lines per revolution encoder that results in 0.065 arc sec resolution. A 2048 line option is also available. The motor and high-performance rotary encoder are directly coupled to a common shaft.
Aerotech manufactures a wide range of servo amplifiers and advanced controllers to provide a complete, integrated package.
Available with Aerotech controllers. Maximum loads are mutually exclusive. Specifications are for single-axis systems, measured 25 mm above the tabletop. Performance of multi-axis systems is payload and workpoint dependent. Consult factory for multi-axis or non-standard applications. Aerotech offers both standard and custom integration services to help you get your system fully operational as quickly as possible. The following standard integration options are available for this system. Please consult Aerotech if you are unsure what level of integration is required, or if you desire custom integration support with your system.Specifications
WaferMaxT Specifications
Model WaferMaxT Travel 360 degrees, continuous Tabletop Diameter 106.7 mm Drive System Direct-drive brushless servomotor Maximum Bus Voltage up to 340 VDC Maximum Torque (Continuous) 5.99 N·m Encoder 2048 lines/rev fundamental; 10000 lines/rev fundamental Accuracy(1) ±25 µrad (±5 arc sec) Bidirectional Repeatability ±10 µrad (±2 arc sec) Tilt Error Motion 97 µrad (20 arc sec) Axial Error Motion 5 µm Radial Error Motion 5 µm Maximum Speed 400 rpm (unloaded) Maximum Load(2) Axial 40 kg Radial 20 kg Inertia 0.008130 kg·m2 Mass 7.0 kg Material Aluminum Finish Black Anodize 

Dimensions
Enlarge ImageOrdering Information
WaferMaxT Direct-Drive Rotary Stage with 25 mm Clear Aperture
Feedback
Option Description -E1 Incremental encoder, 2048 lines/rev, 1 Vpp -E2 Incremental encoder, 10000 lines/rev, 1 Vpp WaferMaxT Options
Option Description -RU1 Single-port rotary union for air/vac feed-through Integration (Required)
Option Description -TAS Integration - Test as system
Testing, integration, and documentation of a group of components as a complete system that will be used together (ex: drive, controller, and stage). This includes parameter file generation, system tuning, and documentation of the system configuration.-TAC Integration - Test as components
Testing and integration of individual items as discrete components that ship together. This is typically used for spare parts, replacement parts, or items that will not be used together. These components may or may not be part of a larger system.