360 degree rotation
Excellent thermal stability
Patented sub-arc-second resolution drive
The ARS301 stage is a precise rotary positioner featuring Aerotech’s patented sub-arc second resolution drive mechanism. By depressing the release plunger, the rotary ring of the ARS301 can be quickly positioned to the approximate desired angle. It can then be fine-tuned with either the coarse or fine adjustment knob over a range of 10 degrees or 30 minutes, respectively. The fine thimble has a 32-division reference scale for convenience in positioning.
An engraved dial with a six-minute vernier is standard on all tabletops. Due to the absence of any gearing in the ARS301’s drive mechanism, the stage is backlash free.
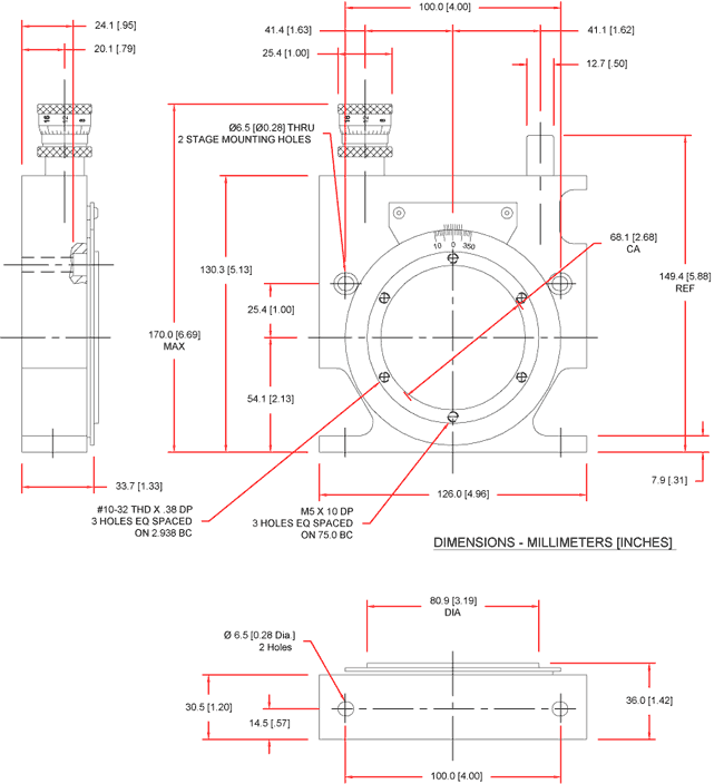
The ARS301 has a 68 mm clear aperture. If a solid mounting surface is required, the ARS301 is available with English or metric mounting holes. The ARS301 is made of aluminum with a black anodize finish and weighs 1.36 kg.
Specifications
Mechanical Specifications
Model ARS301 Thimble Graduation 2.54 arc second Max Load Horizontal 11.36 kg Vertical 6.82 kg 360° Dial and 6 Minute Vernier Standard Clear Aperture 68.07 mm Stage Mass 1 kg 
Dimensions
Enlarge ImageOrdering Information
ARS Mechanical Bearing Manual Rotary Stage
Option Description ARS301-TT1 Tabletop with metric dimension mounting ARS301-TT2 Tabletop with English dimension mounting