Standard NEMA frame sizes
Rare-earth magnets maximize performance
Skewed stator design minimizes torque ripple and cogging for smooth velocity control over a wide speed range
Optional IP65-level construction allows use in harsh environments
Optional brake, front shaft seal, and precision gear reducers
Follows the 2011/65/EU RoHS 2 Directive
The BM series consists of Aerotech's high-performance brushless permanent magnet rotary servomotors. The motors feature rare-earth magnets for maximum torque and acceleration in a small package. A skewed stator design provides low torque ripple and smooth velocity. Unlike DC brush-type servomotors, the BM series are brushless and maintenance free. This makes them ideal for critical applications where downtime cannot be tolerated.
In addition, the BM series motors have very high power density resulting in high torque in a compact package. Optional IP65 sealing make these motors ideal for harsh environments such as machine tool.
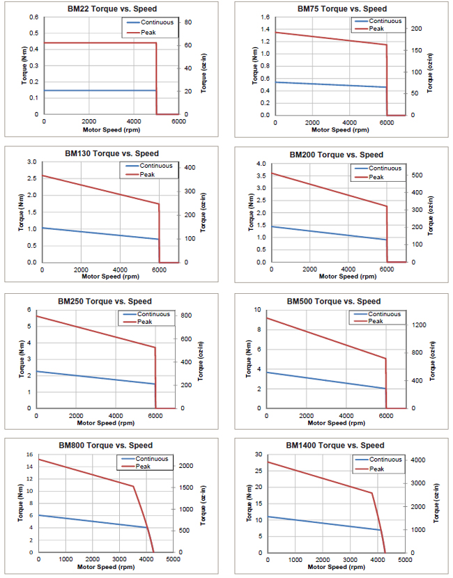
The BM motor series covers a wide range of torque and package sizes. Continuous output torque ranges from 0.16 N·m (22.5 oz·in) to 31.6 N·m (280 lb·in), with peak torques to 94.9 N·m (840 lb·in). Standard frame sizes include NEMA 17, 23, 34, 42 and 56. This makes it easy to mount any motor to Aerotech’s gearbox line with no adapter plates. These motors are well-suited to general purpose and high-end servo applications.
The standard motor has a 1000-line encoder (4000-line count after quadrature), RS-422 line driver output with Hall effect device outputs for commutation, and MS connectors. Options include increased encoder resolution, sealing for IP65 level protection, brakes, and gearboxes. Standard models can be delivered from stock and custom variations can be engineered to your requirements with minimal lead time.
Need help sizing your motor? Try Aerotech's Motor Sizer software to specify the ideal motor for your application.
Performance is dependent upon heat sink configuration, system cooling conditions, and ambient temperature. All performance and electrical specifications ±10%. Values shown @ 105°C rise above a 25°C ambient temperature, with motor mounted to a 250 mm x 250 mm x 6 mm aluminum heat sink. Peak torque assumes correct rms current; consult Aerotech. Torque constant and motor constant specified at stall. Performance is dependent upon heat sink configuration, system cooling conditions, and ambient temperature. All performance and electrical specifications ±10%. Values shown @ 105°C rise above a 25°C ambient temperature, with motor mounted to a 250 mm x 250 mm x 6 mm aluminum heat sink. Peak torque assumes correct rms current; consult Aerotech. Torque constant and motor constant specified at stall. Performance is dependent upon heat sink configuration, system cooling conditions, and ambient temperature. All performance and electrical specifications ±10%. Values shown @ 105°C rise above a 25°C ambient temperature, with motor mounted to a 300 mm x 300 mm x 13 mm aluminum heat sink. Peak torque assumes correct rms current; consult Aerotech. Torque constant and motor constant specified at stall. Performance is dependent upon heat sink configuration, system cooling conditions, and ambient temperature. All performance and electrical specifications ±10%. Values shown @ 130°C rise above a 25°C ambient temperature, with motor mounted to a 305 mm x 305 mm x 12.7 mm aluminum heat sink. Peak torque assumes correct rms current; consult Aerotech. Torque constant and motor constant specified at stall. -MS Note: Accessories are ordered as separate line items.Specifications
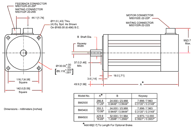
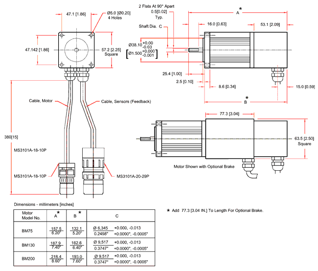
BM Series Specifications
Motor Model Units BM22 BM75 BM130 BM200 Performance Specifications(1,2) Stall Torque, Continuous(3) N·m 0.16 0.51 1.02 1.45 oz·in 22.5 72 144 205 Peak Torque(4) N·m 0.48 1.3 2.5 3.6 oz·in 68 181 361 512 Rated Speed rpm 3000 4000 4000 4000 Rated Power Output, Continuous W 50 192 333 455 Electrical Specifications(2) BEMF Constant (Line-Line, Max) Vpk/krpm 3.9 9 19 18 Continuous Current, Stall(3) Apk 4.9 9.0 6.9 10.3 Arms 3.5 6.4 4.9 7.3 Peak Current, Stall(4) Apk 14.7 22.5 17.3 25.8 Arms 10.4 15.9 12.2 18.2 Torque Constant(5) N·m/Apk 0.032 0.06 0.15 0.14 oz·in/Apk 4.5 8.0 20.9 19.9 N·m/Arms 0.045 0.08 0.21 0.20 oz·in/Arms 6.4 11.4 29.6 28.1 Motor Constant(3, 5) N·m/√W 0.038 0.055 0.101 0.131 oz·in/√W 5.41 7.84 14.30 18.54 Resistance, 25°C (Line-Line) Ω 0.67 1.0 2.0 1.1 Inductance (Line-Line) mH 0.73 1.42 3.52 2.18 Maximum Bus Voltage VDC 80 340 340 340 Thermal Resistance °C/W 4.56 1.18 1.04 0.81 Number of Poles - 8 8 8 8 Mechanical Specifications Frame Size NEMA 17 23 23 23 Motor Weight kg 0.4 1.1 1.5 2.0 lb 0.88 2.42 3.30 4.40 Rotor Moment of Inertia kg·m2 2.00x10-6 5.20x10-6 9.20x10-6 1.30x10-5 oz·in·s2 0.00028 0.0007 0.0013 0.0018 Max Radial Load N 78 89 89 89 lb 18 20 20 20 Max Axial Load N 39 89 89 89 lb 9 20 20 20 Standards 2011/65/EU RoHS 2 Directive Motor Model Units BM250 BM500 Performance Specifications(1,2) Stall Torque, Continuous(3) N·m 2.3 3.6 oz·in 322 515 Peak Torque(4) N·m 5.7 9.1 oz·in 805 1286 Rated Speed rpm 4000 4000 Rated Power Output, Continuous W 739 1065 Electrical Specifications(2) BEMF Constant (Line-Line, Max) Vpk/krpm 28 29 Continuous Current, Stall(3) Apk 10.3 17.5 Arms 7.2 12.4 Peak Current, Stall(4) Apk 25.6 43.8 Arms 18.1 30.9 Torque Constant(5) N·m/Apk 0.22 0.21 oz·in/Apk 31.4 29.4 N·m/Arms 0.31 0.29 oz·in/Arms 44.4 41.6 Motor Constant(3,5) N·m/√W 0.206 0.287 oz·in/√W 29.22 40.69 Resistance, 25°C (Line-Line) Ω 1.1 0.5 Inductance (Line-Line) mH 2.74 1.42 Maximum Bus Voltage VDC 340 340 Thermal Resistance °C/W 0.82 0.74 Number of Poles - 8 8 Mechanical Specifications Frame Size NEMA 34 34 Motor Weight kg 3.6 5.0 lb 7.92 11.0 Rotor Moment of Inertia kg·m2 7.85x10-5 1.39x10-4 oz·in·s2 0.0111 0.0197 Max Radial Load N 178 178 lb 40 40 Max Axial Load N 89 89 lb 20 20 Standards 2011/65/EU RoHS 2 Directive Motor Model Units BM800 BM1400 Electrical Specifications(1,2) Stall Torque, Continuous(3) N·m 6.1 11.0 oz·in 866 1562 Peak Torque(4) N·m 15.3 27.6 oz·in 2166 3905 Rated Speed rpm 3000 3000 Rated Power Output, Continuous W 1446 2529 Electrical Specifications(2) BEMF Constant (Line-Line, Max) Vpk/krpm 69 69 Continuous Current, Stall(3) Apk 11.9 20.5 Arms 8.4 14.5 Peak Current, Stall(4) Apk 29.8 51.3 Arms 21.0 36.2 Torque Constant(5) N·m/Apk 0.51 0.54 oz·in/Apk 72.8 76.2 N·m/Arms 0.73 0.76 oz·in/Arms 103 107.8 Motor Constant(3,5) N·m/√W 0.451 0.745 oz·in/√W 63.86 105.47 Resistance, 25°C (Line-Line) Ω 1.2 0.5 Inductance (Line-Line) mH 3.8 1.7 Maximum Bus Voltage VDC 340 340 Thermal Resistance °C/W 0.60 0.54 Number of Poles - 8 8 Mechanical Specifications Frame Size NEMA 42 42 Motor Weight kg 6.6 10.7 lb 14.52 23.54 Rotor Moment of Inertia kg·m2 3.00x10-4 5.60x10-4 oz·in·s2 0.0425 0.0793 Max Radial Load N 222 222 lb 50 50 Max Axial Load N 89 89 lb 20 20 Standards 2011/65/EU RoHS 2 Directive Motor Model Units BM2000 BM3400 BM4500 Performance Specifications(1,2) Stall Torque, Continuous(3) N·m 14.7 23.7 31.6 oz·in 2080 3360 4480 Peak Torque(4) N·m 44.1 71.2 94.9 oz·in 6240 10080 13440 Rated Speed rpm 2400 2400 2400 Rated Power Output, Continuous W 3267 5077 6761 Electrical Specifications(2) BEMF Constant (Line-Line, Max) Vpk/krpm 99.0 99.0 99.0 Continuous Current, Stall(3) Apk 16.5 26.7 35.4 Arms 11.7 18.9 25.0 Peak Current, Stall(4) Apk 49.7 80.3 106.1 Arms 35.1 56.7 75.0 Torque Constant(5) N·m/Apk 0.89 0.89 0.89 lb·in/Apk 7.9 7.9 7.9 N·m/Arms 1.25 1.25 1.27 lb·in/Arms 11.1 11.1 11.2 Motor Constant(3,5) N·m/√W
lb-in/√W1.030
9.101.720
15.202.320
20.50Resistance, 25°C (Line-Line) Ω 0.66 0.24 0.13 Inductance (Line-Line) mH 4.7 2.0 1.4 Maximum Bus Voltage VDC 340 340 340 Thermal Resistance °C/W 0.64 0.68 0.70 Number of Poles - 6 6 6 Mechanical Specifications Frame Size NEMA 56 56 56 Motor Weight kg 15 23 30 lb 33.0 49.9 66.9 Rotor Moment of Inertia kg·m2 1.25x10-3 2.23x10-3 3.24x10-3 lb·in·s2 0.0111 0.0197 0.0287 Max Radial Load N 668 668 668 lb 150 150 150 Max Axial Load N 223 223 223 lb 50 50 50 Standards 2011/65/EU RoHS 2 Directive 


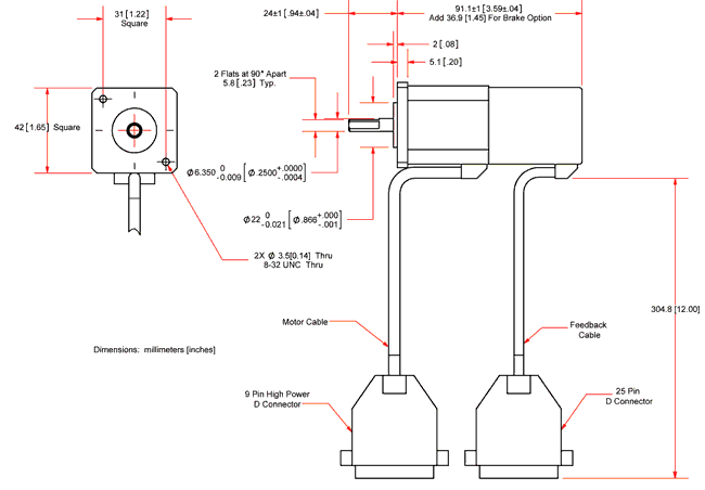
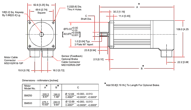
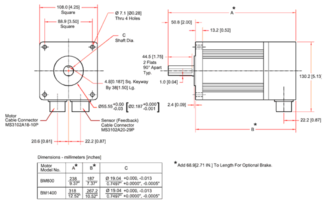
Dimensions
Enlarge Image
Enlarge Image
Enlarge Image
Enlarge Image
Enlarge ImageOrdering Information
Ordering Options
Series Connectors Feedback Brake Cable Type Cable Length Shaft Seal BM22
BM75
BM130
BM200
BM250
BM500
BM800
BM1400
BM2000
BM3400
BM4500
-D25
-D25-9D
-D25-FLB
-D25-5DU
-D25-9D-CMS
-D25-4TS-E1000H
-E2000H
-E2500H
-E5000H
-E1000ASH-BK -HF -xx -NS
NEMA Brushless Rotary ServomotorsOption Description BM22 NEMA 17 brushless rotary servomotor BM75 NEMA 23 brushless rotary servomotor BM130 NEMA 23 brushless rotary servomotor BM200 NEMA 23 brushless rotary servomotor BM250 NEMA 34 brushless rotary servomotor BM500 NEMA 34 brushless rotary servomotor BM800 NEMA 42 brushless rotary servomotor BM1400 NEMA 42 brushless rotary servomotor BM2000 NEMA 56 brushless rotary servomotor BM3400 NEMA 56 brushless rotary servomotor BM4500 NEMA 56 brushless rotary servomotor Connectors (Required)
Option Description -MS Integral cable w/MS connector for Fbk and Mtr (-MS); not available for BM22 -D25 Integral cable w/D25 Fbk and 4D Mtr (-D25); only available on BM22, BM75, BM130, and BM200 -D25-9D Integral cable w/D25 Fbk, 4D Mtr, and 9D Limit (-D25-9D); only available on BM75, BM130, and BM200 -D25-FLB Integral cable w/D25 Fbk, Fly Leads for Mtr, and 9D Limit (-D25-FLB); only available on BM75, BM130, and BM200 -D25-5DU Integral cable w/D25 Fbk, 5D Mtr, and 9D Limit (-D25-5DU); only available on BM75, BM130, and BM200 -D25-9D-CMS Integral cable w/D25 Fbk, 4D Mtr, and 9D Limit - CMS Only (-D25-9D-CMS); only available on BM75, BM130, and BM200 -D25-4TS Integral cable w/D25 Fbk, 4TS Mtr, and 9D Limit (-D25-4TS); only available on BM75, BM130, and BM200 Feedback (Required)
Option Description -E1000H 1000 lines/rev TTL incremental encoder w/Hall tracks (-E1000H); not available for BM22 -E2000H 2000 lines/rev TTL incremental encoder w/Hall tracks (-E2000H); not available for BM3400 or BM4500 -E2500H 2500 lines/rev TTL incremental encoder w/Hall tracks (-E2500H); not available for BM22 -E5000H 5000 lines/rev TTL incremental encoder w/Hall tracks (-E5000H); not available for BM22 -E1000ASH 1000 lines/rev 1 Vpp incremental encoder w/Hall tracks (-E1000ASH); not available for BM22, BM2000, BM3400 or BM4500 Brake (Optional)
Option Description -BK Holding brake (-BK); not available on BM4500 Cable Type (Optional)
Option Description -HF High flex cable; only available on BM75, BM130, and BM200 Cable Length (dm) (Optional)
Option Description -xx Cable length in decimeters (3.8 dm is default); only available on BM75, BM130, and BM200 Shaft Seal (Optional)
Option Description -NS Nitrile front shaft seal; only available on BM250, BM500, BM800 and BM1400 Vacuum Preparation (Optional)
Option Description -VAC6 Vacuum preparation to 10-6 Torr Accessories (Optional)
Option Description MC-HPD25-M Connector; HPD motor power mate MC-DB25-F Connector; DB25 motor feedback mate MCM1-3 Connector; MS motor power mate (BM2000, BM3400, BM4500) MCM-3 Connector; MS motor power mate (BM75, BM130, BM200, BM250, BM500, BM800, BM1400) MCF-3 Connector; MS motor feedback mate