详细介绍

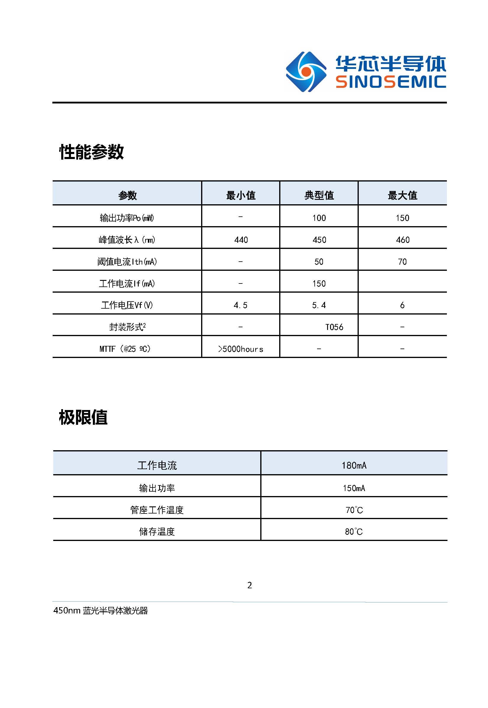
450nm  TO56封装 100mW蓝光半导体激光器

450nm  TO56封装 100mW蓝光半导体激光器

450nm  TO56封装 100mW蓝光半导体激光器