商品描述

碘吸收气体池可以提供精确的波长参考。该气体池有石英玻璃制成,通光窗口与气体池主轴垂直。通光窗口面型可达1/10波长,镀增透膜,532nm波长反射率小于0.1%。

 技术指标 

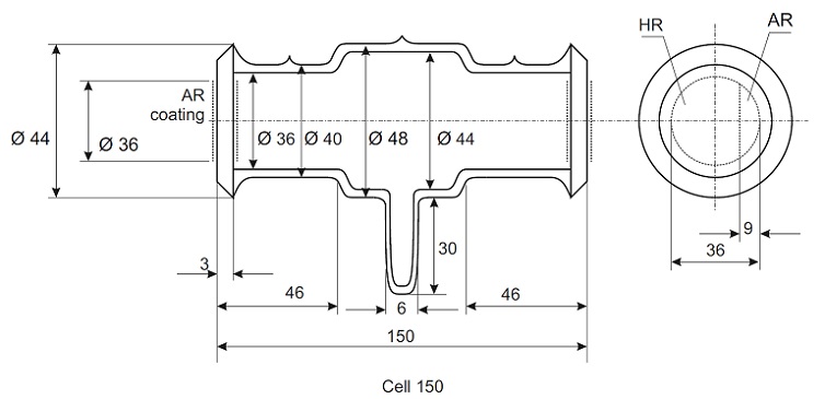
1.    通光孔直径:36 mm

3.    尺寸公差:0.8 mm

5.    窗口使用石英玻璃制成表面平整度λ/10并且在外表面镀上高反膜和增透膜比例为4:1,高反膜对532nm残余反射率小于0.1%

7.    温度稳定在15度时,对应管内压强为0.76Pa.