环形压电弯曲片的内径可产生上下凹凸运动。将环形压电弯曲片外边缘固定后再施加电压,中心内径位置会产生上下凹凸运动。行程可达±185μm,驱动电压为±100V。
技术参数
型号:NAC2327或CMBR07
尺寸:OD40-ID8-TH0.8mm
位移:±185μm@±100V,公差:±15%
驱动电压:±100V
静电容量:2×800nF,公差:±20%
谐振频率:>1.8kHz,公差:±20%
推力:13N
刚度:0.07N/μm,公差:±20%
控制方式与位移
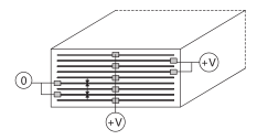
双极性使用:三线驱动,可向上及向下弯曲运动。正极接+100 V,负极接-100V,中间电极控制电压V in 在-100V~+100V,在 0~+100V 时向上弯曲,在 -100V~0 之间时向下弯曲。

单极性使用:两线驱动,只能朝一个方向弯曲。负极接 0V,中间电极接 0V,正极控制电压范围为 0~200V,弯曲片向上弯曲。
单极性使用时的位移为双极性使用时的一半。

工艺结构

压电弯曲片利用的是横向的压电效应即压电系数 d 31 ,静态使用时,会表现出明显的蠕变特性,所以压电弯曲片主要是用于动态应用。叠层压电弯曲片是由多层压电陶瓷弯曲基片叠堆共烧而成。该种压电弯曲片的出力远远大于普通的双晶片。