法拉第旋光器是一种基于法拉第磁光效应的磁光器件,能将入射线偏振光的偏振方向旋转一定角度,且旋光方向只与内部磁场相关,与通光方向无关。常用法拉第旋光器的旋光角度设计为45˚或90˚。将45˚旋光器放置在两片呈45˚配置偏振器件之间就构成了光隔离器。光隔离器是一种单向透光的磁光器件,在激光放大系统、锁膜激光器和激光测量设备中有广泛的应用。
我司自主研发设计生产的旋光器与隔离器系列产品,选用高品质的铽镓石榴石(TGG)磁光晶体与偏振分光棱镜、高矫顽力磁性材料,确保系列产品具有最高的隔离度、透过率、抗激光损伤阈值和温度适用范围。
我司拥有专业的磁光器件设计技术以及强大的OEM生产能力,可提供不同通光径、波长和封装尺寸的非标隔离器产品。亦可配套供应我司亚纳秒微片激光器、半导体激光器系列产品,为用户提供完整的系统设计和应用服务。
1#封装隔离器 1#封装旋光器 2#封装隔离器(选配固定底座) 2#封装旋光器(选配固定底座) 3#封装隔离器 3#封装旋光器 4#封装隔离器 4#封装旋光器参数
波长
(nm)型号 产品类型 通光孔径
(mm)旋光角度 消光比
@25℃隔离度
@25℃损伤阈值
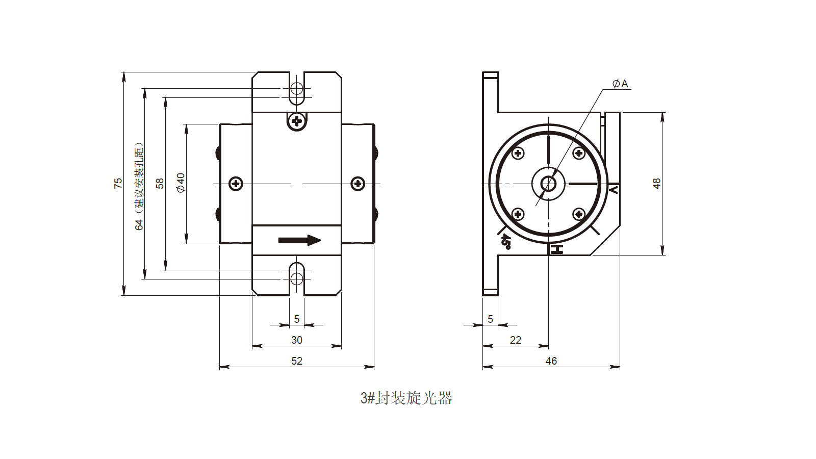
@10ns透过率 偏振器 封装形式 405 CL405-FP001 旋光器 2.5 45˚±1˚ >30dB NA 3.5J/cm2 >90% NA 1# CL405-OI001 隔离器 2.5 NA NA >30dB 3.5J/cm2 >85% PBS Cube 1# 515 CL515-FP002 旋光器 2.5 45˚±1˚ >30dB NA 3.5J/cm2 >95% NA 1# CL515-OI002 隔离器 2.5 NA NA >30dB 3.5J/cm2 >90% PBS Cube 1# 532 CL532-FP003 旋光器 2.5 45˚±1˚ >30dB NA 3.5J/cm2 >95% NA 1# CL532-OI003 隔离器 2.5 NA NA >30dB 3.5J/cm2 >90% PBS Cube 1# 564 CL564-FP004 旋光器 2.5 45˚±1˚ >30dB NA 3.5J/cm2 >95% NA 1# CL564-FP004 隔离器 2.5 NA NA >30dB 3.5J/cm2 >90% PBS Cube 1# 633 CL633-FP005 旋光器 2.5 45˚±1˚ >30dB NA 3.5J/cm2 >95% NA 1# CL633-OI005 隔离器 2.5 NA NA >30dB 3.5J/cm2 >90% PBS Cube 1# 660 CL660-FP006 旋光器 2.5 45˚±1˚ >30dB NA 3.5J/cm2 >95% NA 1# CL660-OI006 隔离器 2.5 NA NA >30dB 3.5J/cm2 >90% PBS Cube 1# 730 CL730-FP007 旋光器 2.5 45˚±1˚ >30dB NA 3.5J/cm2 >95% NA 1# CL730-OI007 隔离器 2.5 NA NA >30dB 3.5J/cm2 >90% PBS Cube 1# 780 CL780-FP008 旋光器 2.5 45˚±1˚ >30dB NA 3.5J/cm2 >95% NA 1# CL780-FP008 隔离器 2.5 NA NA >30dB 3.5J/cm2 >90% PBS Cube 1# 808 CL808-FP009 旋光器 2.5 45˚±1˚ >30dB NA 3.5J/cm2 >95% NA 1# CL808-FP009 隔离器 2.5 NA NA >30dB 3.5J/cm2 >90% PBS Cube 1# 830 CL830-FP010 旋光器 2 45˚±1˚ >30dB NA 3.5J/cm2 >95% NA 1# CL830-FP010 隔离器 2 NA NA >30dB 3.5J/cm2 >90% PBS Cube 1# 850 CL850-FP011 旋光器 2 45˚±1˚ >30dB NA 3.5J/cm2 >95% NA 1# CL850-FP011 隔离器 2 NA NA >30dB 3.5J/cm2 >90% PBS Cube 1# 895 CL895-FP012 旋光器 2.5 45˚±1˚ >30dB NA 3.5J/cm2 >95% NA 3# CL895-OI012 隔离器 2.5 NA NA >30dB 3.5J/cm2 >90% PBS Cube 3# 940 CL940-FP013 旋光器 2.5 45˚±1˚ >30dB NA 3.5J/cm2 >95% NA 3# CL940-OI013 隔离器 2.5 NA NA >30dB 3.5J/cm2 >90% PBS Cube 3# 980 CL980-FP014 旋光器 2.5 45˚±1˚ >30dB NA 3.5J/cm2 >95% NA 3# CL980-FP014 隔离器 2.5 NA NA >30dB 3.5J/cm2 >90% PBS Cube 3# 1030 CL1030-FP015 旋光器 10 45˚±1˚ >30dB NA 5J/cm2 >95% NA 4# 8 4# 5 3# 2.5 3# CL1030-OI015 隔离器 10 NA NA >30dB 5J/cm2 >90% PBS Cube 4# 8 4# 5 3# 2.5 3# 1060 CL1060-FP016 旋光器 10 45˚±1˚ >30dB NA 5J/cm2 >95% NA 4# 8 4# 5 3# 2.5 3# CL1060-OI016 隔离器 10 NA NA >30dB 5J/cm2 >90% PBS Cube 4# 8 4# 5 3# 2.5 3# 机械尺寸图