铝合金材料,黑色阳极氧化,加硬膜保护,尺寸规格为13"宽x 18"长 x ½"厚, Sorbothane®脚垫以及¾"螺孔,重量12lbs.
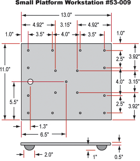
具有牢固保护层的氧黑铝制装配平台,尺寸规格为13"宽 x 11"长 x ½"厚。一个¾"-16垂直螺纹孔,一个¼"-20中心螺纹孔。其它的¼"-20螺孔分别在:4个螺孔在3.15"x3.15"处,12个螺孔在9" x 11"周长上分布,and 12 on 1" (9" x 11") 。
沉稳,重量为17lbs, 锌合金材料,直径8英寸,2- ½"高,中心有¾"螺孔。


