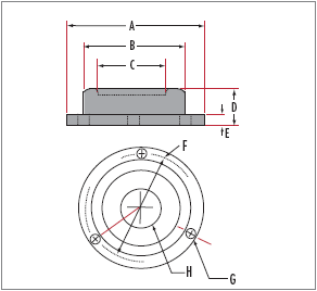
These are precision circular vials mounted in chrome-plated brass cases with three mounting holes for fastening convenience. Each unit is completely level to the horizontal plane and no additional adjustments are required. The accuracy is guaranteed and maintained through the use of quality glass and machined brass materials.

| Dimensions (inches) | Stock No. | |||||||
| A | B | C | D | E | F | G | H | |
| 1.000 | 0.687 | 0.500 | 0.437 | 0.125 | 0.866 | 0.093 | 0.220 | #40-068 |
| 1.000 | 0.687 | 0.500 | 0.437 | 0.125 | 0.866 | 0.093 | 0.220 | #39-428 |
| 1.000 | 0.687 | 0.500 | 0.437 | 0.125 | 0.866 | 0.093 | 0.220 | #39-429 |
| 1.250 | 0.844 | 0.625 | 0.437 | 0.125 | 1.025 | 0.120 | 0.276 | #39-431 |
| 1.750 | 1.172 | 0.812 | 0.625 | 0.156 | 1.500 | 0.120 | 0.315 | #39-432 |
| 1.750 | 1.172 | 0.812 | 0.625 | 0.156 | 1.500 | 0.120 | 0.315 | #42-763 |
| 2.250 | 1.688 | 1.312 | 0.688 | 0.188 | 2.000 | 0.136 | 0.500 | #39-435 |
| ||||||||