技术参数:
| 产品型号 | JDD-1000-HD\JDD-1000-940-HD |
| 波长 | 808±5nm\940±5nm |
| 激光芯片 | 光功率10瓦 |
| 照明角度 | 电动同步变焦65°~1°连续可调 |
| 变倍速度 | 4秒(光学, 近角-远角) |
| 照明效果 | 采用时间积分匀化技术,全焦段补光均匀细腻,完全无散斑 |
| 照明距离 | 远角:有效距离>1000米 |
| 控制方式 | 光敏模式/命令模式 |
| 亮度设置 | 自动/手动 |
| 工作电压 | DC12V±10% |
| 最大功耗 | 22W |
| 存储温度 | -40℃~+80℃ |
| 工作温度 | -40℃~+70℃ |
| 整机寿命 | 大于30000小时 |
| 外观尺寸 | 长*宽*高:132*56*60 mm |
| 重量 | 约380g |
| 通信方式 | TTL 3.3V/ RS485(波特率:9600bps) |
安装说明:



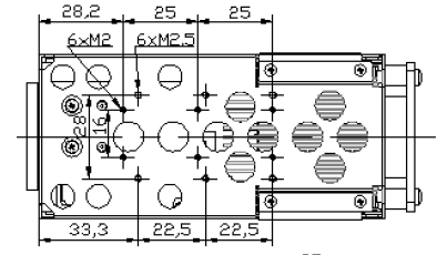
产品分两面固定,根据客户设计选定具体固定面,每个固定面上有6 个M2.5螺孔,具体尺寸请参见上图1图2结构尺寸图。如图3所示,固定时要注意螺钉突出机构件内底面部分不得超出3.0mm。
系统接口说明:
1. 本系列激光灯有4 个接口分别为JP1、JP6、JP9 和JP10。
2.JP1 激光灯控制接口(4PIN2.0mm 间距插座) ,通过TTL 电平3.3V 和RS485 通讯接口控制激光灯相关功能;JP10 电源接口(2PIN2.54mm 间距插座) ,用于激光灯电源输入,电源要求大于DC12V/3A。
3.JP6 红外激光灯自带的按键接口(6PIN1.25mm 间距插座) ,方便红外激光灯调试或测试用,通过按键可控制激光灯视角和电流大小。
4.JP9 红外激光灯光敏接口(2PIN1.5mm 间距插座),用于连接光敏传感器。
