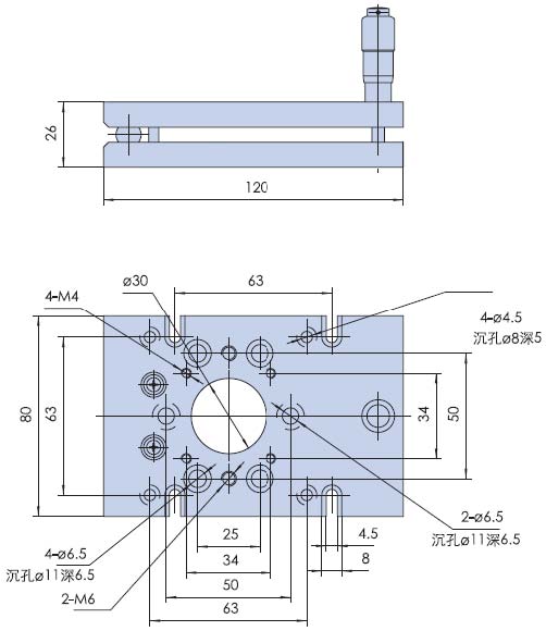
精密型手动倾斜台(单轴):PT-QX01

■特点:


■提供单轴倾斜调整

 

■测微头驱动,高品质碟形弹簧复位,稳定性好

 

■中心直径30mm通孔可通光

 

■上下部均有标准孔距的连接孔,方便与其它系列产品组合

型号

PT-QX01

台面尺寸

120mm×80mm

驱动方式

分厘卡单轴驱动

功能

θx 一维俯仰调整

调整范围

±3°

台面Z小调整量

5′

承载

10kg

自重

0.5kg

材料

硬铝

表面处理

阳极氧化染黑


PT-QX01