产品特性:

精密轴系设计,超薄设计,可以有效降低产品组合使用时整体的高度。把台面旋转到大致的位置后,使用粗精调切换螺丝固定,这样就可以使用测微头进行微调。


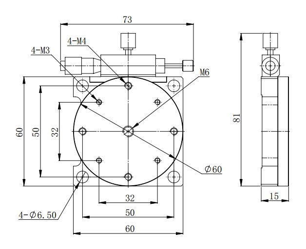
型号
LSSH-60TV-A
台面尺寸
Φ60mm
驱动方式
测微头
粗调范围
360°
精调
±5°
最小刻度
10′
微分头每格
0.96′(参考)
承载
3Kg
运动平行度
30μm
运动同心度
30μm
自重
0.16Kg