平凸透镜通常是用来聚焦平行光。平凸透镜的前后表面不对称,因此可以有效的减小球差,特别是在物距不相等的场合中。最佳应用是将物体放在无穷远处(即视为平行光入射)。在焦平面成像。此时,物像共轭比(即物距/相距)为无穷大。透镜的凸面应朝向物方方向放置。


材料K9精退火
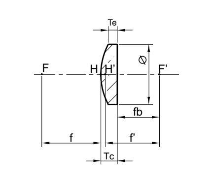
焦距(f)±2%@587.6nm
直径公差(φ)±0.0/-0.20
中心厚度(Tc)±0.1
光圈1-5
局部光圈0.2-0.5
光洁度
镀膜MgF2增透膜
通光孔径>90%φ