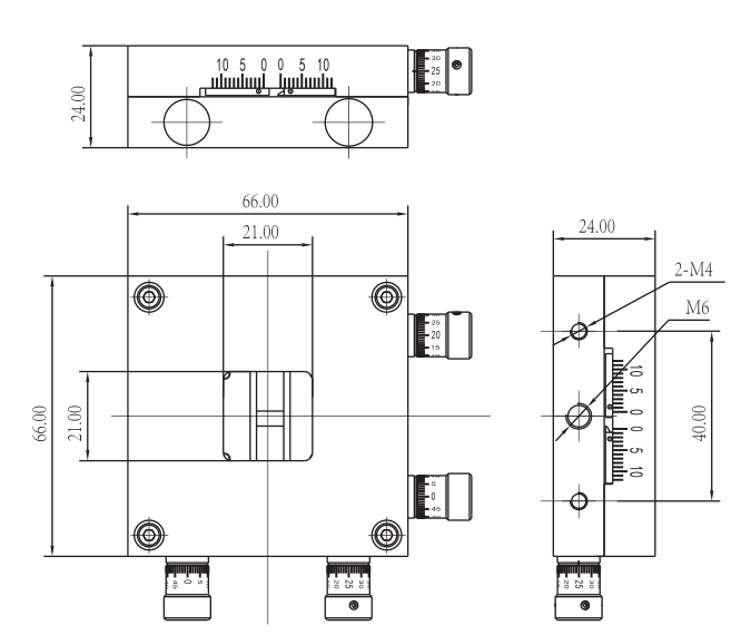
产品特点:在光学实验中经常需要用到不同宽度的线光源,而通过狭缝实现是最常用最方便的方法.我公司推出的狭缝具有缝宽连续可调,可单向,双向甚至四向调整,可读数,刃口平滑整齐,开启灵活,精度高,性能稳定,外形美观等特点,方便您选择.

缝宽0-20mm
最小读数0.01mm
缝高0-20mm
自重0.4kg