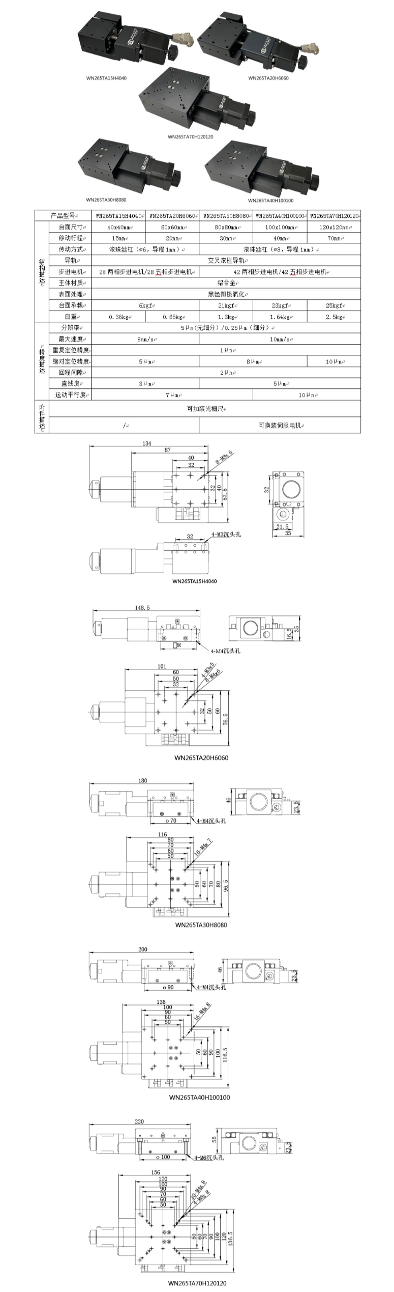
11.22.png