技术参数 |
GL75P-038-050-IR2
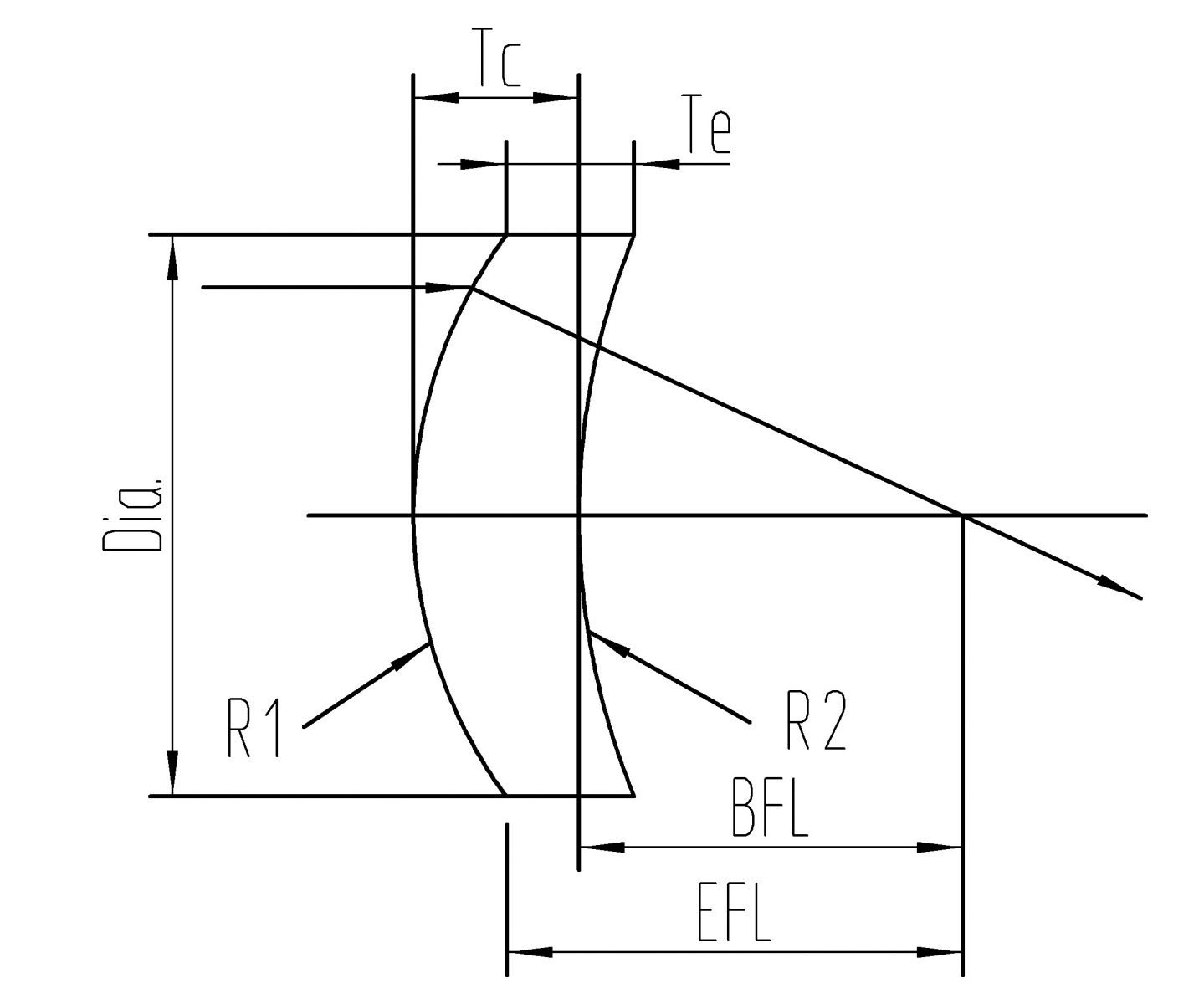
中心厚度Tc(mm)
5.60mm
直径
38.05mm
设计波长
10.6um
中心厚度误差
±0.2mm
直径误差
+0.0/-0.1
适用的透镜安装环
N/A
材料
硒化锌(ZnSe)
镀膜
Ravg<1.5% @8~12μm
焦距EFL
50.00mm
半径R2(mm)
121.50mm
半径R1(mm)
46.00mm
边厚Te(mm)
3.00mm
焦距误差(EFL)
±1%
透镜定心误差
小于3分
表面光洁度
3~4级
倒边
0.2mmX45°
RoHS
符合标准