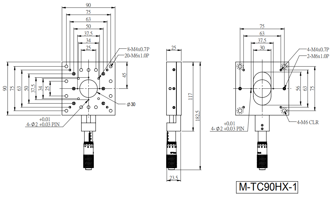
型號\規格
檯面大小
驅動模式
軸向
行程
真直度
平行度
解析度
重量
TC90HX-1
90mm x 90mm
Mircometer
X
±12.5
±25um
±25um
10um
0.65