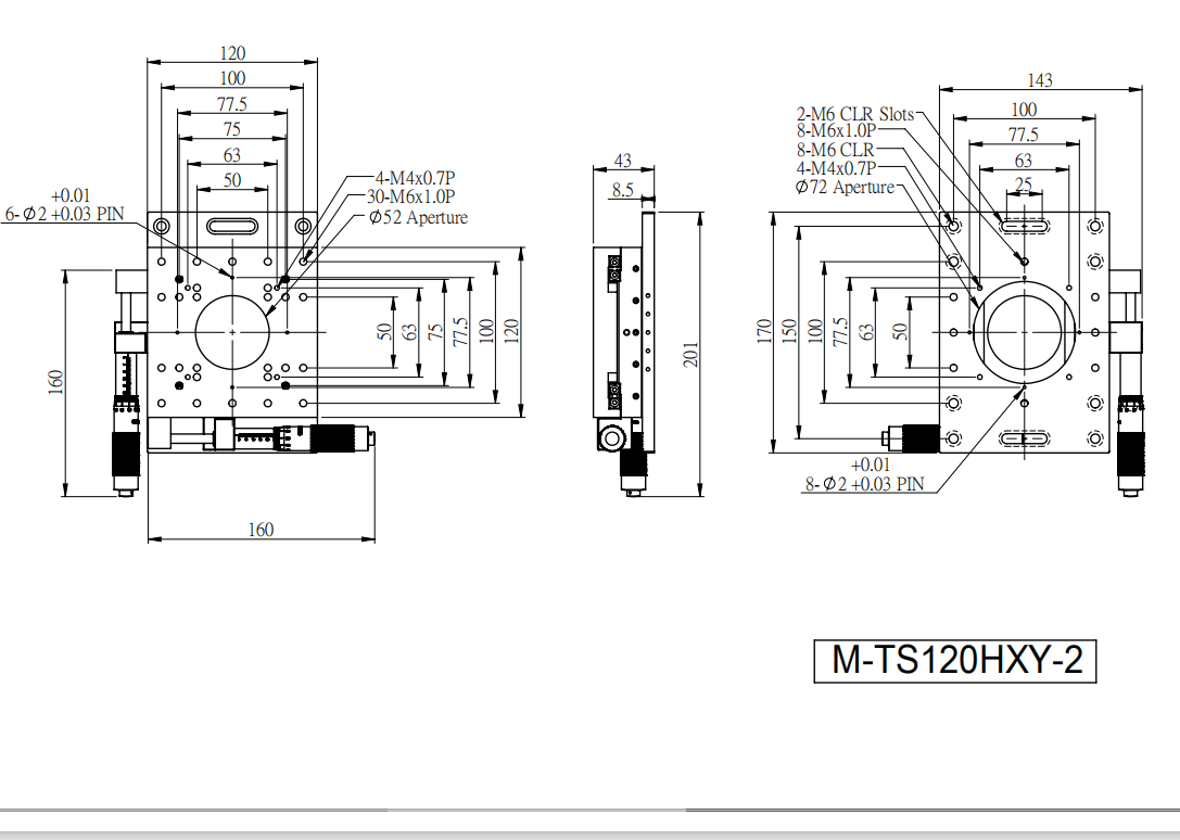
型號\規格
檯面大小
驅動模式
軸向
行程
真直度
平行度
解析度
重量
TS120HXY-2
120mm x 120mm
Mircometer
XY
±25mm
±25um
±25um
10um
1.70