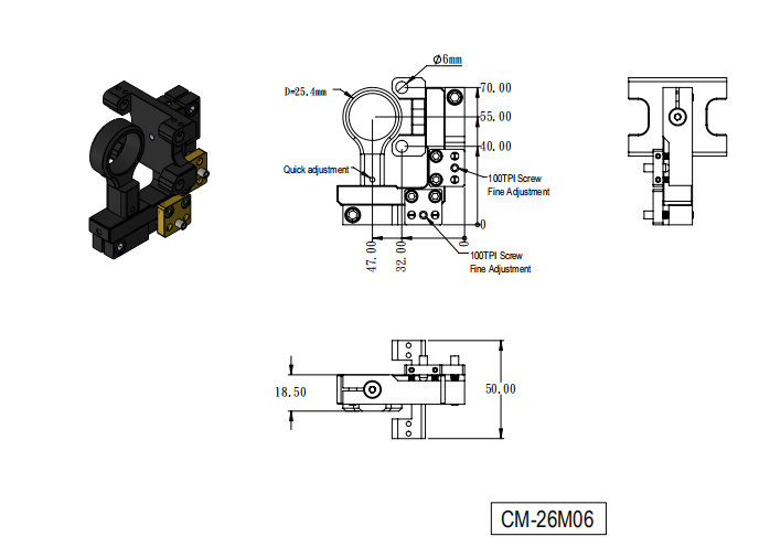
型號尺寸軸數驅動重量
CM-26M05 1 inch 

θx , θy  

100 TPI 精密螺絲 0.1Kg 

 

image.png