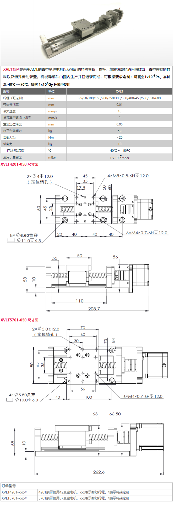
15.1.png