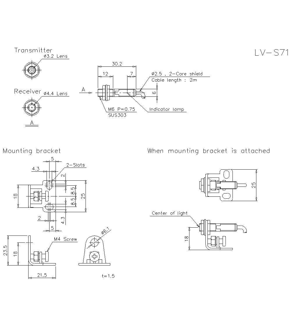
型号 | LV-S71 | |||
类型 | 小型标准型 | |||
FDA (CDRH) Part 1040.10 | 1 类激光产品*1 | |||
IEC 60825-1 | 1 类激光产品 | |||
光源 | 可见红色半导体激光,波长:655 nm | |||
检测距离 | MEGA | 500 mm | ||
ULTRA | ||||
SUPER | ||||
TURBO | ||||
FINE | ||||
HSP | ||||
环境抗耐性 | 环境温度 | -10 至 +50 °C (无冻结) | ||
材料 | 外壳 | 金属零件:不锈钢,塑料零件:多芳基化合物 | ||
镜头盖 | 发射器:降冰片烯塑料 | |||
重量 | 大约 70 g | |||
*1 FDA (CDRH) 的激光分类是基于IEC60825-1 并根据Laser Notice No.50 的要求而实施的。 | ||||
* 如果字符难以读取,请确认CAD或手册。
