规格

型号

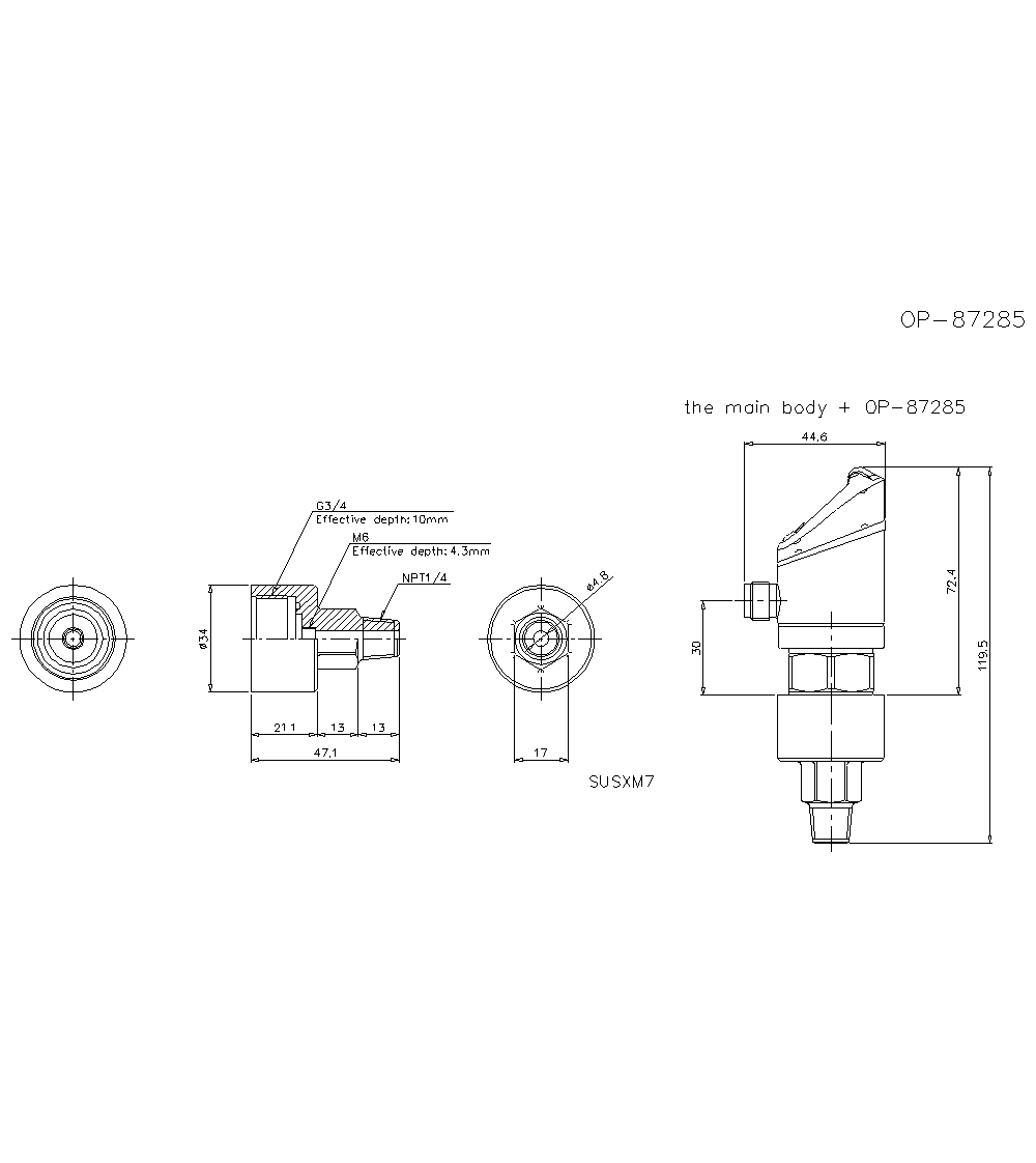
OP-87285

概要

将GP-M系列的连接口径从G3/4公式转换为NPT1/4公式的适配器。

对象产品

GP-M系列传感器本体

内装数量

1个

连接直径

一侧为G3/4母式、一侧为NPT1/4公式

材质

SUSXM7

产品尺寸

* 如果字符难以读取,请确认CAD或手册。

OP-87285 Dimension