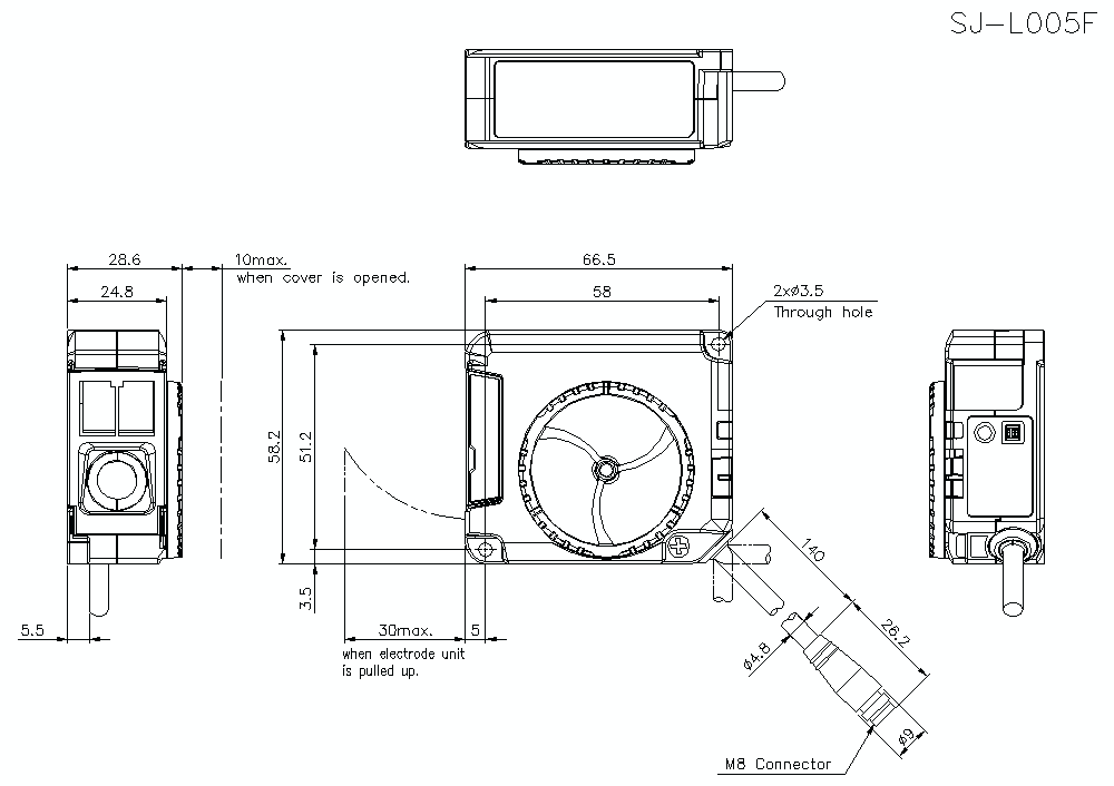
型号 | SJ-L005F | |||
电压施加方式 | 高频率AC 控制方式 | |||
施加电压 | AC3 kV | |||
离子平衡 | ±10 V | |||
安装距离 | 50 mm 及以上 | |||
最大风速 | 7 m/s *1 | |||
最大风量 | 0.16 m3/min | |||
臭氧浓度 | 0.05 ppm 及以下 *1 | |||
控制输入 | 静电消除停止输入 | 无电压输入/电压输入 可切换 *2*3 | ||
控制输出 | 报警 (N.C.) /离子水平警报 (N.O.) | 集电极开路输出 30 VDC 及以下 *2*3 | ||
电源 | 电源电压 | 24 VDC ±10 % (包含纹波) 或 12 VDC | ||
消耗电流 | 310 mA 及以下 (24 VDC 时) | |||
环境抗耐性 | 环境温度 | 0 至 +50 ℃ (使用 OP-87722 时为 0 至 +40 ℃) | ||
相对湿度 | 35 至 65 %RH (无凝结) | |||
过电压类别 | I | |||
污染等级 | 2 | |||
重量 | 约 100 g (主机重量) | |||
*1 为安装距离 100 mm 、最大风量、无空气过滤器时的测量结果。 (典型值) | ||||
* 如果字符难以读取,请确认CAD或手册。
